首页
伤感说说
动漫配图
心情说说
抖音文案
伤感图片
伤感说说:
伤感的句子说说心情
空间说说
心情说说
爱情说说
女生伤感说说
人生感悟
心情不好的说说
说说带图片
关于生活的说说
说说心情短语
qq空间说说带图片
个性说说
励志名言
一句话经典语录
感悟人生的经典句子
短句吧
情感故事
抖音文案
伤感图片:
伤感图片带字
非主流伤感图片
唯美伤感图片
女生伤感图片
唯美意境图片
悲伤的图片
唯美意境伤感图片
只有字的伤感图片
说说图片
伤心的图片
美甲图片
图片大全
情感图片
微信头像男
动态壁纸
动漫配图
伤感图片
首页
>
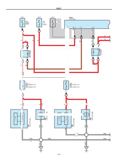
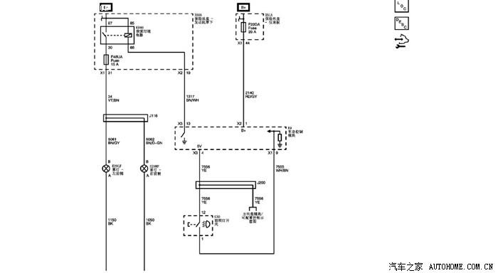
汽车雾灯电路图原理
汽车雾灯电路图原理,汽车雾灯电路图
威志前照灯,后雾灯,前雾灯电路图
2014丰田rav4全车电路图之系统电路图41-前照灯.pdf
汽车雾灯电路图原理
【图】雾灯继电器在哪里?_科鲁兹论坛_汽车之家论坛
瑞虎3 部分电路图 另求两只原车大灯 老款 准备自己改
更多推荐
汽车雾灯电路图
汽车雾灯电路图怎么画
汽车大灯电路图
雾灯电路图
雾灯控制电路图
雾灯电路图分析
汽车雾灯接线图解
桑塔纳雾灯电路图
开关电源电路图及原理
雾灯电路图怎么画
桑塔纳2000雾灯电路图
汽车车灯图解大全图片
制动灯电路图
汽车前雾灯图片
汽车雾灯开关标志图片
汽车雾灯标志图片
汽车雾灯标志小轿车
电路图图解
汽车前雾灯
汽车雾灯
电路图讲解和实物图
汽车雾灯标志
汽车前后雾灯标志
汽车雾灯怎么开
大众汽车雾灯标志图片
简单电路图
电路图
雾灯图解
并联电路图
最简单10个电路图