首页
伤感说说
动漫配图
心情说说
抖音文案
伤感图片
伤感说说:
伤感的句子说说心情
空间说说
心情说说
爱情说说
女生伤感说说
人生感悟
心情不好的说说
说说带图片
关于生活的说说
说说心情短语
qq空间说说带图片
个性说说
励志名言
一句话经典语录
感悟人生的经典句子
短句吧
情感故事
抖音文案
伤感图片:
伤感图片带字
非主流伤感图片
唯美伤感图片
女生伤感图片
唯美意境图片
悲伤的图片
唯美意境伤感图片
只有字的伤感图片
说说图片
伤心的图片
美甲图片
图片大全
情感图片
微信头像男
动态壁纸
动漫配图
伤感图片
首页
>
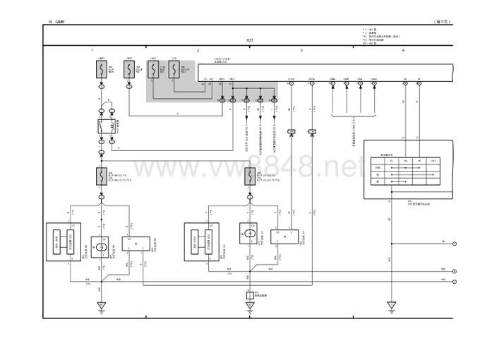
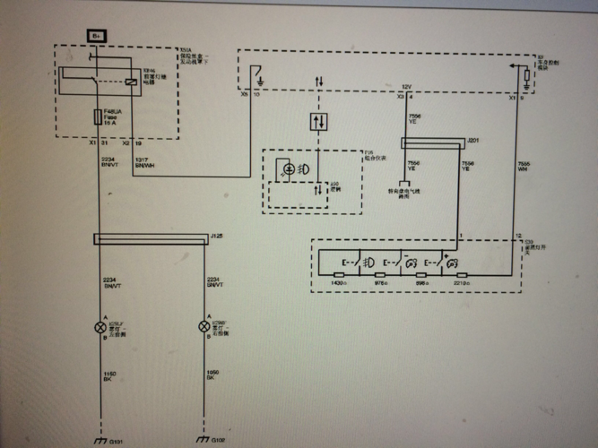
汽车雾灯电路图原理
汽车雾灯电路图原理,汽车雾灯电路图
请问电路中g23也就是小灯电源接线端在车上哪个位置
资源分类 丰田汽车 电路图集 2017年丰田凯美瑞系统电路图 大灯灯光和
06款别克君越前雾灯线路图有朋友知道么
威驰前,后雾灯电路图
马自达94galant大灯,雾灯电路图
更多推荐
汽车雾灯电路图
汽车雾灯电路图怎么画
汽车大灯电路图
雾灯电路图
雾灯控制电路图
雾灯电路图分析
汽车雾灯接线图解
桑塔纳雾灯电路图
开关电源电路图及原理
雾灯电路图怎么画
桑塔纳2000雾灯电路图
汽车车灯图解大全图片
制动灯电路图
汽车前雾灯图片
汽车雾灯开关标志图片
汽车雾灯标志图片
汽车雾灯标志小轿车
电路图图解
汽车前雾灯
汽车雾灯
电路图讲解和实物图
汽车雾灯标志
汽车前后雾灯标志
汽车雾灯怎么开
大众汽车雾灯标志图片
简单电路图
电路图
雾灯图解
并联电路图
最简单10个电路图