首页
伤感说说
动漫配图
心情说说
抖音文案
伤感图片
伤感说说:
伤感的句子说说心情
空间说说
心情说说
爱情说说
女生伤感说说
人生感悟
心情不好的说说
说说带图片
关于生活的说说
说说心情短语
qq空间说说带图片
个性说说
励志名言
一句话经典语录
感悟人生的经典句子
短句吧
情感故事
抖音文案
伤感图片:
伤感图片带字
非主流伤感图片
唯美伤感图片
女生伤感图片
唯美意境图片
悲伤的图片
唯美意境伤感图片
只有字的伤感图片
说说图片
伤心的图片
美甲图片
图片大全
情感图片
微信头像男
动态壁纸
动漫配图
伤感图片
首页
>
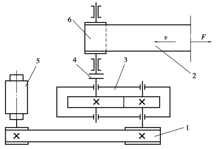
步进输送机简图
步进输送机简图,步进输送机机构简图
一级带式输送机传动简图
一种步进输送机构制造技术
一级带式输送机传动简图
求步进式工件输送机设计 有的邮箱390602036@qq.com
固定式皮带输送机
更多推荐
步进输送机机构简图
步进输送机结构简图
b5步进输送机机构简图
步进输送机运动简图
步进输送机构简图
步进输送机ug机构简图
步进输送机
步进输送机简图自由度
带式输送机简图
b5步进输送机运动简图
步进输送机结构示意图
步进输送机构
步进输送机自由度
步进送料机
步进送料机构
螺旋输送机工作原理图
管式螺旋输送机图纸
螺旋输送机密封结构图
有轴螺旋输送机结构图
蛟龙螺旋输送机结构图
装订机机构运动简图
简易冲床运动简图
抛光机机构运动简图
铆钉机构运动简图
曲柄摇块泵机构简图
剪床机构运动简图
牛头刨床结构简图
齿轮摆杆机构运动简图
摆动导杆泵运动简图
机构运动简图大全