首页
伤感说说
动漫配图
心情说说
抖音文案
伤感图片
伤感说说:
伤感的句子说说心情
空间说说
心情说说
爱情说说
女生伤感说说
人生感悟
心情不好的说说
说说带图片
关于生活的说说
说说心情短语
qq空间说说带图片
个性说说
励志名言
一句话经典语录
感悟人生的经典句子
短句吧
情感故事
抖音文案
伤感图片:
伤感图片带字
非主流伤感图片
唯美伤感图片
女生伤感图片
唯美意境图片
悲伤的图片
唯美意境伤感图片
只有字的伤感图片
说说图片
伤心的图片
美甲图片
图片大全
情感图片
微信头像男
动态壁纸
动漫配图
伤感图片
首页
>
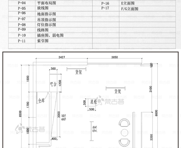
服装店橱窗平面图
服装店橱窗平面图,服装店平面图
服装店橱窗0001; 图-专卖店实例图库; 服装店橱窗,服装店橱窗设计
设计本 cad图块 cad图块平面/立面素材图块 窗 > 鞋帽店,服装店橱窗
韩式女装服装店设计商业空间旗舰店3d装修设计服务效果图橱窗展架
鞋帽店,服装店橱窗门面实例cad详图,装修施工图纸25例
一组店铺的平面图
更多推荐
服装店平面图
服装店橱窗
服装店装修效果图
服装店装修风格图
服装店图片效果图
服装店图片小店
服装店效果图
服装店装修
服装店图片女装真实
服装店图片门脸
服装店图片
店面橱窗设计
服装店门头
服装店设计
橱窗展示设计效果图
服装店收银台
服装店
橱窗设计图片
橱窗图片
橱窗模女特卖衣服
服装店实体
橱窗设计手绘图
服装店名
服装店真实
室内平面图
室内设计平面图
餐厅平面图
儿童服装店
平面图
楼梯平面图