首页
伤感说说
动漫配图
心情说说
抖音文案
伤感图片
伤感说说:
伤感的句子说说心情
空间说说
心情说说
爱情说说
女生伤感说说
人生感悟
心情不好的说说
说说带图片
关于生活的说说
说说心情短语
qq空间说说带图片
个性说说
励志名言
一句话经典语录
感悟人生的经典句子
短句吧
情感故事
抖音文案
伤感图片:
伤感图片带字
非主流伤感图片
唯美伤感图片
女生伤感图片
唯美意境图片
悲伤的图片
唯美意境伤感图片
只有字的伤感图片
说说图片
伤心的图片
美甲图片
图片大全
情感图片
微信头像男
动态壁纸
动漫配图
伤感图片
首页
>
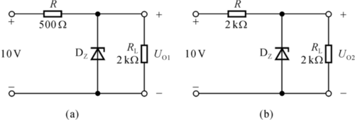
稳压二极管原理图
稳压二极管原理图,稳压二极管电路图
稳压二极管电路图
稳压二极管的电路图
对稳压二极管电路的理解
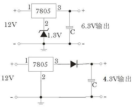
怎么用一个7805的稳压管加几个辅助元件设计一个输出为4.3v电压的电路
稳压二极管的计算已知稳压管的稳压值uz6v稳定电流的最小值izmin5ma问
更多推荐
稳压二极管电路图
稳压二极管正负极图解
稳压二极管的工作原理
稳压二极管图片
稳压二极管
稳压二极管实物
稳压二极管接法电路图
原理图工作原理
稳压二极管正负
贴片稳压二极管
稳压二极管接法
12v稳压二极管
双向稳压二极管
贴片稳压二极管识别图
稳压二极管图形符号
5v稳压二极管
稳压二极管伏安特性
稳压二极管符号
稳压二极管电路符号
稳压二极管型号大全
稳压二极管参数大全
液压原理图
9013引脚图和原理图
双速电机接线图原理图
稳压二极管型号对照表
放大电路原理图
原理图
双控开关原理图
pcb原理图
原理图实物