首页
伤感说说
动漫配图
心情说说
抖音文案
伤感图片
伤感说说:
伤感的句子说说心情
空间说说
心情说说
爱情说说
女生伤感说说
人生感悟
心情不好的说说
说说带图片
关于生活的说说
说说心情短语
qq空间说说带图片
个性说说
励志名言
一句话经典语录
感悟人生的经典句子
短句吧
情感故事
抖音文案
伤感图片:
伤感图片带字
非主流伤感图片
唯美伤感图片
女生伤感图片
唯美意境图片
悲伤的图片
唯美意境伤感图片
只有字的伤感图片
说说图片
伤心的图片
美甲图片
图片大全
情感图片
微信头像男
动态壁纸
动漫配图
伤感图片
首页
>
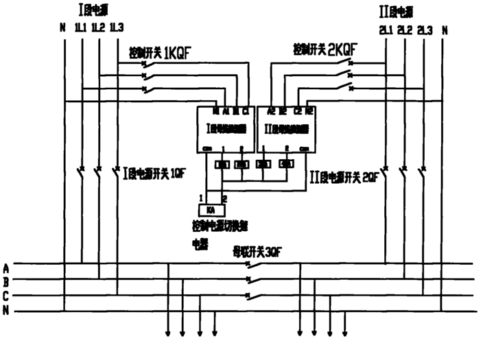
双电源自动切换电路图
双电源自动切换电路图,双电源控制柜接线图
双电源自动切换电路原理及原理图
[分享]双电源自动切换原理接线图资料下载
cn201490758u_低压双电源自动投切控制装置失效
100a两进一出双电源自动转换切换开关4p家用pc级隔离消防型包邮
《低压双电源切换电路图》
更多推荐
双电源控制柜接线图
380v双电源开关接线图
焊机电源板电路图
双电源转换开关接线图
双电源开关接线实物图
双电源切换开关电路图
三相四线双电源接线图
自制双电源切换接线图
双电源切换实物接线图
双电源自动切换原理图
接触器切换双电源图纸
双电源自动切换接线图
双电源自动切换
12v24v自动识别电路图
双电源一主一备接线图
双电源配电箱接线图
380v双电源自动切换器
手动自动切换电路图
双电源二次接线图
双电源切换电路图
双电源自动切换实物图
双电源电机接线实物图
双电源自动切换装置
双电源接线实体线图
双电源切换配电箱图片
双电源供电电路图
双电源自动切换原理
电光双电源风机电路图
双电源自动切换器
双电源自动切换箱