首页
伤感说说
动漫配图
心情说说
抖音文案
伤感图片
伤感说说:
伤感的句子说说心情
空间说说
心情说说
爱情说说
女生伤感说说
人生感悟
心情不好的说说
说说带图片
关于生活的说说
说说心情短语
qq空间说说带图片
个性说说
励志名言
一句话经典语录
感悟人生的经典句子
短句吧
情感故事
抖音文案
伤感图片:
伤感图片带字
非主流伤感图片
唯美伤感图片
女生伤感图片
唯美意境图片
悲伤的图片
唯美意境伤感图片
只有字的伤感图片
说说图片
伤心的图片
美甲图片
图片大全
情感图片
微信头像男
动态壁纸
动漫配图
伤感图片
首页
>
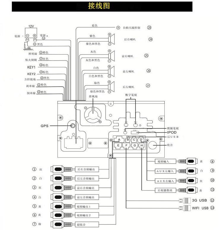
大屏导航接线图
大屏导航接线图,安卓大屏导航接线图解
1寸通用车载八核安卓导航一体机dvd大屏汽车导航仪智能车机
折腾啊,折腾,风度mx6升级10.2寸安卓大屏导航!
宁德逍客大屏导航安装流程
安卓导航一体机,尾线,20p接线定义没有,已经自己找到电源正极,acc
漳州大屏导航厂家怎么找客户_深圳巨东
更多推荐
安卓大屏导航接线图解
安卓大屏机尾线示意图
大屏导航16针接线图
导航16针电源接线图解
安卓导航接线图
安卓大屏导航接线图
导航接线图
导航一体机20针接线图
导航后面的接口图解
大屏导航线束图解
通用导航16针接线图
导航后面板接线图解
安卓导航通用机接线图
通用大屏导航接线图
16针通用机接线定义图
大屏导航尾线接线图
20针导航接线图
16针车载导航接线图解
通用20针尾线接线图
大屏导航方控接线图
大屏导航后接线图说明
导航接线图解
大屏导航线路图解
大屏导航尾线定义图
大众导航接线图解
大屏导航电源线说明图
安卓导航接线图解
车载导航接线图大全
科鲁兹大屏导航接线图
汽车导航接线图解