首页
伤感说说
动漫配图
心情说说
抖音文案
伤感图片
伤感说说:
伤感的句子说说心情
空间说说
心情说说
爱情说说
女生伤感说说
人生感悟
心情不好的说说
说说带图片
关于生活的说说
说说心情短语
qq空间说说带图片
个性说说
励志名言
一句话经典语录
感悟人生的经典句子
短句吧
情感故事
抖音文案
伤感图片:
伤感图片带字
非主流伤感图片
唯美伤感图片
女生伤感图片
唯美意境图片
悲伤的图片
唯美意境伤感图片
只有字的伤感图片
说说图片
伤心的图片
美甲图片
图片大全
情感图片
微信头像男
动态壁纸
动漫配图
伤感图片
首页
>
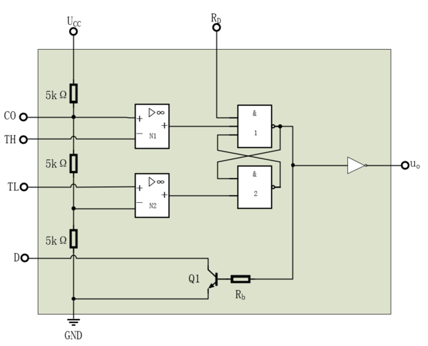
visio画电路图怎么连线
visio画电路图怎么连线,visio怎么画电路原理图
用visio画电路图
visio绘制电路图
谁会使用visio画图软件,帮我画两个电路图,以文档形式
用visio画电路图
visio中画的
更多推荐
visio怎么画电路原理图
visio画电路图
visio2019画电路图
visio怎么画脉冲波形图
visio画电气原理图
电箱电路图怎么画
电路图怎么画
继电器电路图怎么画
visio流程图怎么画箭头
visio电路图教程
电路图怎么画教程
visio流程图怎么画
配电箱电路图怎么画
简单电路图怎么画
visio怎么画用例图
串联电路图怎么画
电路图怎么画口诀
visio怎么画组织结构图
visio怎么画er图
逻辑电路图怎么画
小学电路图怎么画
visio泳道图怎么画
并联电路图怎么画
小学简单电路图怎么画
visio画原理图
四年级电路图怎么画
用visio画功能模块图
红绿灯电路图怎么画
visio画时序图
cad画电路图