首页
伤感说说
动漫配图
心情说说
抖音文案
伤感图片
伤感说说:
伤感的句子说说心情
空间说说
心情说说
爱情说说
女生伤感说说
人生感悟
心情不好的说说
说说带图片
关于生活的说说
说说心情短语
qq空间说说带图片
个性说说
励志名言
一句话经典语录
感悟人生的经典句子
短句吧
情感故事
抖音文案
伤感图片:
伤感图片带字
非主流伤感图片
唯美伤感图片
女生伤感图片
唯美意境图片
悲伤的图片
唯美意境伤感图片
只有字的伤感图片
说说图片
伤心的图片
美甲图片
图片大全
情感图片
微信头像男
动态壁纸
动漫配图
伤感图片
首页
>
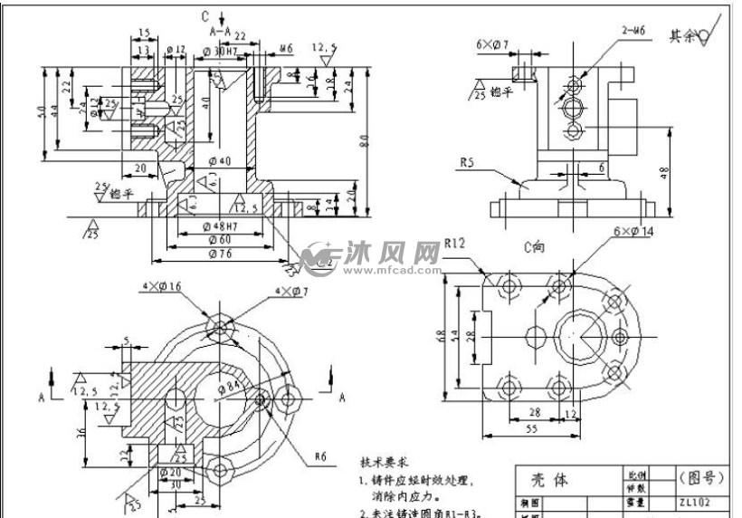
机械工程图机械零件
机械工程图机械零件,机械工程工程制图
大连理工大学机械制图 零件图课件ppt
零件题目要求
转换套的铣63侧面夹具设计及机械加工工艺装备转换套零件图
2复杂零件工程图 任务分析
机械制图零件图经典
更多推荐
机械工程工程制图
机械工程图纸
机械工程图片
机械工程图片高清
机械工程
机械零件图纸大全
机械工程师图片
cad机械工程图
机械零件
机械工程标志图片
机械零件图片实物
机械工程背景
机械零件图片设计
机械工程系
创意机械零件
机械零件设计
机械工程专业
机械零件实物
机械工程学院
典型机械零件
机械工程logo
机械零件画
机械零件轴
机械零件图片手绘
机械零件手绘
机械工程师
机械零件卡通
机械零件图片线稿
机械零件素材
机械零件图片素材