首页
伤感说说
动漫配图
心情说说
抖音文案
伤感图片
伤感说说:
伤感的句子说说心情
空间说说
心情说说
爱情说说
女生伤感说说
人生感悟
心情不好的说说
说说带图片
关于生活的说说
说说心情短语
qq空间说说带图片
个性说说
励志名言
一句话经典语录
感悟人生的经典句子
短句吧
情感故事
抖音文案
伤感图片:
伤感图片带字
非主流伤感图片
唯美伤感图片
女生伤感图片
唯美意境图片
悲伤的图片
唯美意境伤感图片
只有字的伤感图片
说说图片
伤心的图片
美甲图片
图片大全
情感图片
微信头像男
动态壁纸
动漫配图
伤感图片
首页
>
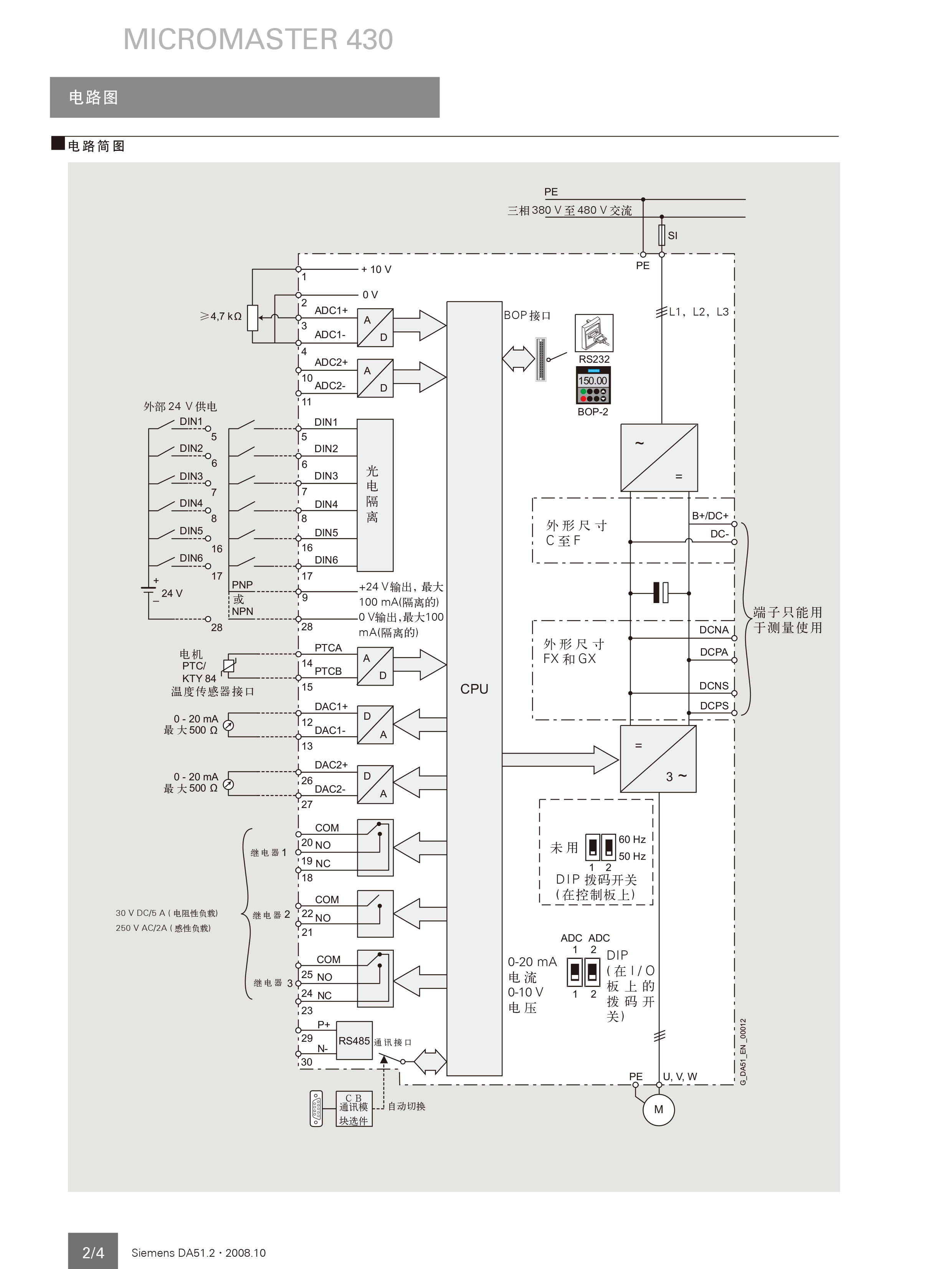
西门子变频器440端子图
西门子变频器440端子图,西门子变频器端子
西门子变频器6se6420-2uc17-5aa1
西门子440变频器四档速如何接线?
西门子mm440,15kw变频器
西门子6se70变频器在钢厂转炉倾动.doc
西门子s6e70变频器接线图(英文版)
更多推荐
西门子变频器端子
西门子440变频器接线图
西门子变频器接线图
西门子变频器接线图解
西门子变频器MM430
西门子变频器S120
西门子变频器拆机图解
西门子变频器实物
西门子变频器
西门子V20变频器
西门子变频器按键图解
西门子变频器图片大全
台达变频器接线端子图
西门子变频器故障代码
变频器外部端子接线图
变频器端子控制接线图
abb变频器端子接线图
丹佛斯变频器端子图
汇川变频器接线端子图
mm440变频器接线图
变频器多功能端子详解
施耐德变频器端子说明
变频器控制端子详解
mm440变频器外部接线图
invt变频器端子接线图
变频器接线端子说明
变频器接线端子对照表
mm440变频器
变频器接线图实物图
西门子伺服驱动器