首页
伤感说说
动漫配图
心情说说
抖音文案
伤感图片
伤感说说:
伤感的句子说说心情
空间说说
心情说说
爱情说说
女生伤感说说
人生感悟
心情不好的说说
说说带图片
关于生活的说说
说说心情短语
qq空间说说带图片
个性说说
励志名言
一句话经典语录
感悟人生的经典句子
短句吧
情感故事
抖音文案
伤感图片:
伤感图片带字
非主流伤感图片
唯美伤感图片
女生伤感图片
唯美意境图片
悲伤的图片
唯美意境伤感图片
只有字的伤感图片
说说图片
伤心的图片
美甲图片
图片大全
情感图片
微信头像男
动态壁纸
动漫配图
伤感图片
首页
>
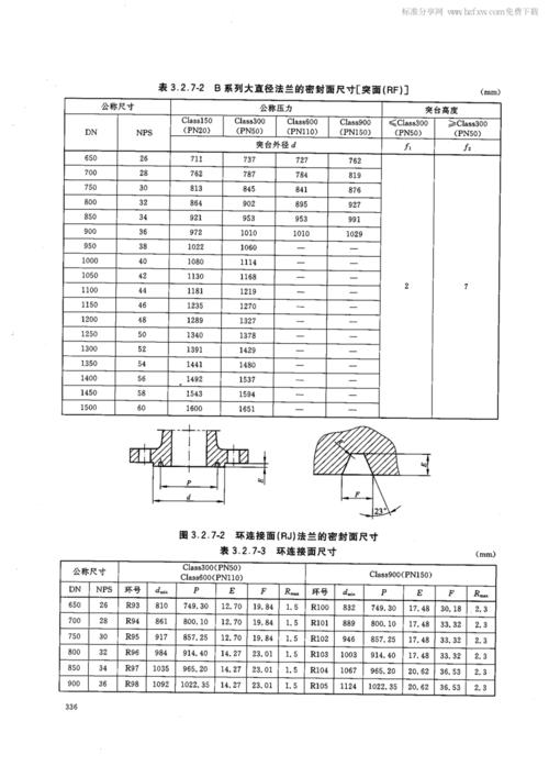
法兰内径
法兰内径,法兰内径外径对照表
hgt206232009大直径钢制管法兰class系列
6的法兰尺寸图,k是螺钉孔距,b是内径,d是外径.
带颈对焊钢制管法兰内径及壁厚等级
dn350无缝钢管法兰片内径及罗栓孔中心圆直径是多少
5法兰,垫片及相应螺栓对照表 注:平焊法兰内径由配管尺寸而定,表中
更多推荐
法兰内径外径对照表
法兰标准
法兰
轴承内径
法兰垫片
法兰阀门
法兰球阀
法兰螺母
法兰头
法兰蝶阀
内径卡尺
法兰盖
对焊法兰
平焊法兰
法兰连接
内径尺
内径千分表
戒指内径
法兰是什么
法兰佐
手镯内径
轴承内径外径对照表
螺纹内径
法兰图片
内径百分表
法兰片
轴承内径20
法兰泰克
法兰止回阀
风管法兰