首页
伤感说说
动漫配图
心情说说
抖音文案
伤感图片
伤感说说:
伤感的句子说说心情
空间说说
心情说说
爱情说说
女生伤感说说
人生感悟
心情不好的说说
说说带图片
关于生活的说说
说说心情短语
qq空间说说带图片
个性说说
励志名言
一句话经典语录
感悟人生的经典句子
短句吧
情感故事
抖音文案
伤感图片:
伤感图片带字
非主流伤感图片
唯美伤感图片
女生伤感图片
唯美意境图片
悲伤的图片
唯美意境伤感图片
只有字的伤感图片
说说图片
伤心的图片
美甲图片
图片大全
情感图片
微信头像男
动态壁纸
动漫配图
伤感图片
首页
>
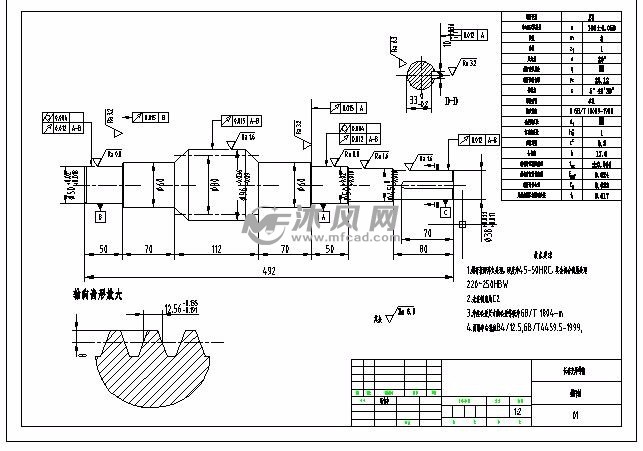
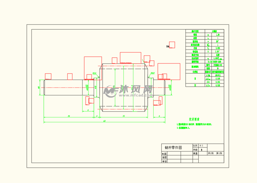
蜗杆零件图
蜗杆零件图,蜗杆图纸
电动机卷扬机传动装置—蜗轮蜗杆一级减速器
蜗杆零件图
我的课程设计的作品------蜗杆减速器!
蜗轮蜗杆斜齿轮传动零件cad图
直廓环面蜗杆传动设计计算示例
更多推荐
蜗杆图纸
车工零件图
蜗杆的尺寸标注示意图
箱盖零件图
涡轮零件图
蜗杆剖视图
蜗杆装配图
端盖零件图
蜗杆零件图标注
一级蜗杆减速器零件图
蜗杆轴零件图
蜗轮蜗杆零件图
蜗杆零件图画法
蜗轮蜗杆减速器装配图
蜗轮蜗杆模数表
蜗轮蜗杆图纸
蜗轮蜗杆简图
零件图装配图
齿轮零件图
零件图三视图
零件图
轴的零件图
蜗轮蜗杆
蜗轮蜗杆传动
蜗轮蜗杆机构
标准零件图
零件图简单
泵体零件图
齿轮轴零件图
零件图机械制图