首页
伤感说说
动漫配图
心情说说
抖音文案
伤感图片
伤感说说:
伤感的句子说说心情
空间说说
心情说说
爱情说说
女生伤感说说
人生感悟
心情不好的说说
说说带图片
关于生活的说说
说说心情短语
qq空间说说带图片
个性说说
励志名言
一句话经典语录
感悟人生的经典句子
短句吧
情感故事
抖音文案
伤感图片:
伤感图片带字
非主流伤感图片
唯美伤感图片
女生伤感图片
唯美意境图片
悲伤的图片
唯美意境伤感图片
只有字的伤感图片
说说图片
伤心的图片
美甲图片
图片大全
情感图片
微信头像男
动态壁纸
动漫配图
伤感图片
首页
>
汽车电路图识读
汽车电路图识读,汽车电路图识读入门
汽车电路图识读入门到精通(实战篇 全彩印刷)
维修手册 通用凯越 捷达电路图 全车电路图 汽车电路图的识读 帝豪ec7
汽车电路图识读入门知识
汽车全车电路图_word文档在线阅读与下载_无忧文档
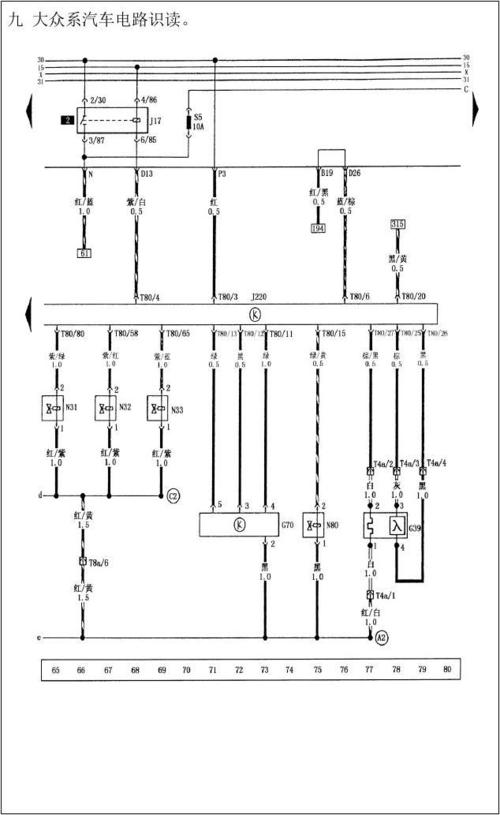
九 大众系汽车电路识读.
更多推荐
汽车电路图识读入门
汽车电路图标识
汽车电路图的识图方法
电路图的识图方法
汽车电路线路颜色识别
电路识图
日产电路图识图方法
电路图图解
电路原理图的识图方法
汽车电路基础知识入门
建筑电路图的识图方法
电路图的识图方法物理
电路图的识图方法初三
家装电路图的识图方法
电路图
电路图入门
开关电源电路图及原理
电路图讲解和实物图
并联电路图
电路图基础知识入门
简单电路图
电工图纸的识图方法
串联电路图
电路板上电子元件识别
电路图实物
电气图纸快速识图
互锁电路图
电路图设计
电路图符号大全
电路图怎么画