首页
伤感说说
动漫配图
心情说说
抖音文案
伤感图片
伤感说说:
伤感的句子说说心情
空间说说
心情说说
爱情说说
女生伤感说说
人生感悟
心情不好的说说
说说带图片
关于生活的说说
说说心情短语
qq空间说说带图片
个性说说
励志名言
一句话经典语录
感悟人生的经典句子
短句吧
情感故事
抖音文案
伤感图片:
伤感图片带字
非主流伤感图片
唯美伤感图片
女生伤感图片
唯美意境图片
悲伤的图片
唯美意境伤感图片
只有字的伤感图片
说说图片
伤心的图片
美甲图片
图片大全
情感图片
微信头像男
动态壁纸
动漫配图
伤感图片
首页
>
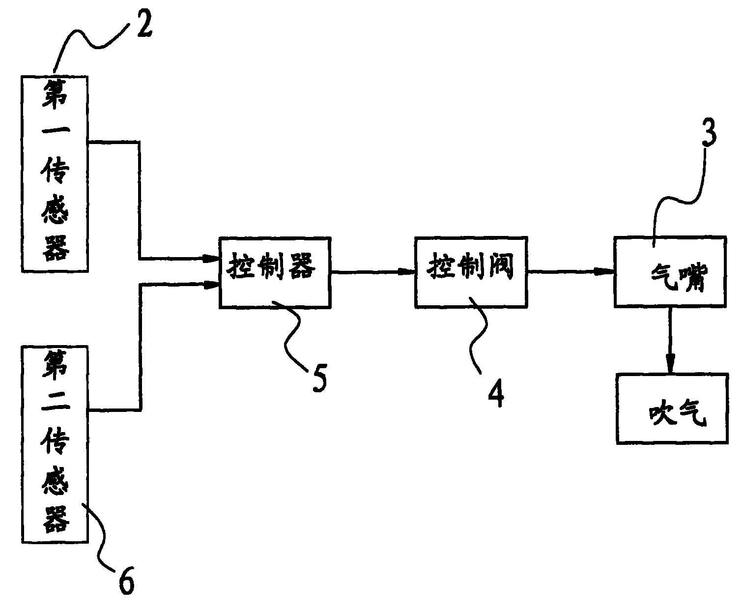
气吹式自动原理图
气吹式自动原理图,自动排水阀原理图
一种冲床的自动吹气装置制造方法及图纸
一种冲床的自动吹气装置制造方法及图纸
在对应该第一传感器的位置设有可将空盒吹开的气嘴,该气嘴连接于控制
气动控制系统原理图
yf-600t3系列气吹自动剔除数码智能金属探测器
更多推荐
自动排水阀原理图
自动收线器原理图
自动喷泉原理图
原理图工作原理
自动插销原理图
自动饮水器原理图
自动排水装置原理图
自动卷线器原理图
自动灌装机原理图
自动弹簧插销原理图
自动排水泵控制原理图
弹簧自动收线器原理图
自动伸缩卷线器原理图
电气原理图
自动收缩卷尺原理图
真空自动排液罐原理图
鸡用自动饮水器原理图
液压原理图
双速电机接线图原理图
原理图
简单原理图
宠物自动饮水器原理图
永动机原理图
自动叠衣机设计原理图
原理图实物
9013引脚图和原理图
鼓刹原理图
双控开关原理图
l298n原理图
放大电路原理图