首页
伤感说说
动漫配图
心情说说
抖音文案
伤感图片
伤感说说:
伤感的句子说说心情
空间说说
心情说说
爱情说说
女生伤感说说
人生感悟
心情不好的说说
说说带图片
关于生活的说说
说说心情短语
qq空间说说带图片
个性说说
励志名言
一句话经典语录
感悟人生的经典句子
短句吧
情感故事
抖音文案
伤感图片:
伤感图片带字
非主流伤感图片
唯美伤感图片
女生伤感图片
唯美意境图片
悲伤的图片
唯美意境伤感图片
只有字的伤感图片
说说图片
伤心的图片
美甲图片
图片大全
情感图片
微信头像男
动态壁纸
动漫配图
伤感图片
首页
>
同心度
同心度,同轴度的符号
谁知道cad出图中如何标注椎体的同心度?
同心度检测仪
【邦亿同心度测量仪 测轴承同心度 同心度仪 圆度仪 同心度测试仪】
供华光牌ht-c-03m同心度测量仪,同心度仪,同轴度测量仪
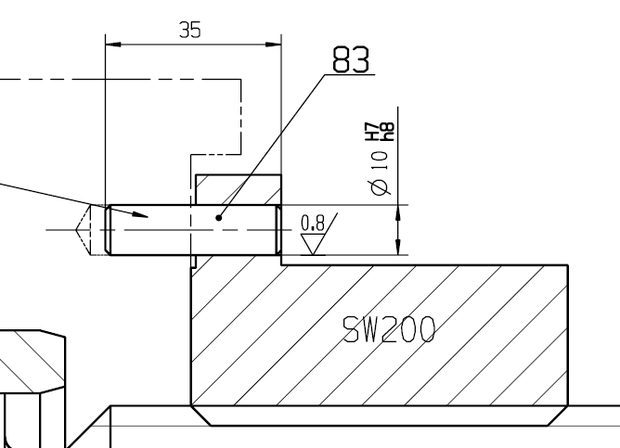
图纸中的同心度符号h7和h8是什么意思
更多推荐
同轴度的符号
同心度的符号
浮漂同心度
水泵同心度
同心度同轴度测量仪
对称度符号
同轴度公差
同心度和同轴度的图解
平行度
图纸同心度同轴度符号
同心度图纸
同轴度
同心度标注示意图
内孔同心度检测仪
同心度怎么标注
同心度计算方法图解
百分表测量同轴度
同轴度测量方法图解
圆度
同心度测量
电钻同心度
同轴度怎么标注
对称度
同心度和同轴度的区别
同心度怎么标
同轴度计算图解
同心度测量方法图解
轴同心度
同心度仪
同心度符号