首页
伤感说说
动漫配图
心情说说
抖音文案
伤感图片
伤感说说:
伤感的句子说说心情
空间说说
心情说说
爱情说说
女生伤感说说
人生感悟
心情不好的说说
说说带图片
关于生活的说说
说说心情短语
qq空间说说带图片
个性说说
励志名言
一句话经典语录
感悟人生的经典句子
短句吧
情感故事
抖音文案
伤感图片:
伤感图片带字
非主流伤感图片
唯美伤感图片
女生伤感图片
唯美意境图片
悲伤的图片
唯美意境伤感图片
只有字的伤感图片
说说图片
伤心的图片
美甲图片
图片大全
情感图片
微信头像男
动态壁纸
动漫配图
伤感图片
首页
>
凸轮轴位置执行器图片
凸轮轴位置执行器图片,凸轮轴信号盘图片
五菱荣光b15发动机货车加长款原装凸轮轴相位执行器电磁阀总成
供应奇瑞tlc006凸轮轴位置传感器
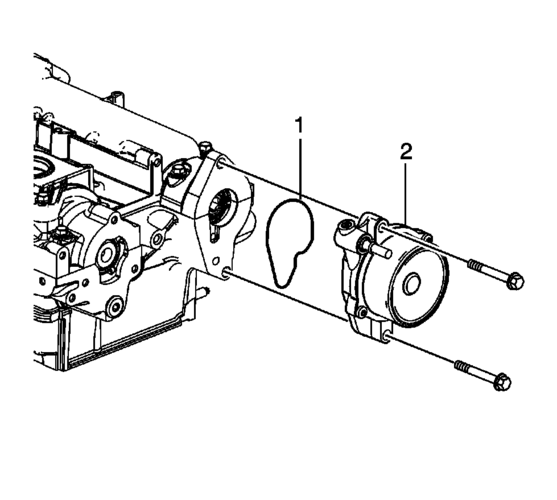
8.安装凸轮轴位置执行器电磁阀螺栓 (1) 并紧固至10牛米(89英寸磅力).
原装正品五菱之光 西门子凸轮轴位置传感器 凸轮轴位置感应器
【原装】凯迪拉克赛威sls srx cts 凸轮轴位置执行器电磁阀
更多推荐
凸轮轴信号盘图片
凸轮轴执行器的结构图
凸轮轴电磁阀
凸轮轴位置传感器图片
凸轮轴传感器的位置图
凸轮轴图片
凸轮轴位置传感器
凸轮轴图片工作原理
汽车凸轮轴图片
凸轮轴结构图
凸轮轴简图
曲轴和凸轮轴图解
凸轮轴结构简图
凸轮轴零件图
凸轮轴结构解析图
气动执行器图片
电动阀门执行器图片
科鲁兹凸轮轴盘安装图
风阀执行器图片
执行器图片
凸轮轴正时齿轮
电动执行器图片
帕拉丁凸轮轴正时图
凸轮图片
电动执行器拆卸图
电动执行器结构图
凸轮轴工作原理
凸轮轴
帕萨特b5凸轮轴链条图
电动执行器内部原理图