首页
伤感说说
动漫配图
心情说说
抖音文案
伤感图片
伤感说说:
伤感的句子说说心情
空间说说
心情说说
爱情说说
女生伤感说说
人生感悟
心情不好的说说
说说带图片
关于生活的说说
说说心情短语
qq空间说说带图片
个性说说
励志名言
一句话经典语录
感悟人生的经典句子
短句吧
情感故事
抖音文案
伤感图片:
伤感图片带字
非主流伤感图片
唯美伤感图片
女生伤感图片
唯美意境图片
悲伤的图片
唯美意境伤感图片
只有字的伤感图片
说说图片
伤心的图片
美甲图片
图片大全
情感图片
微信头像男
动态壁纸
动漫配图
伤感图片
首页
>
台达伺服b2接线图
台达伺服b2接线图,台达b2伺服接线图
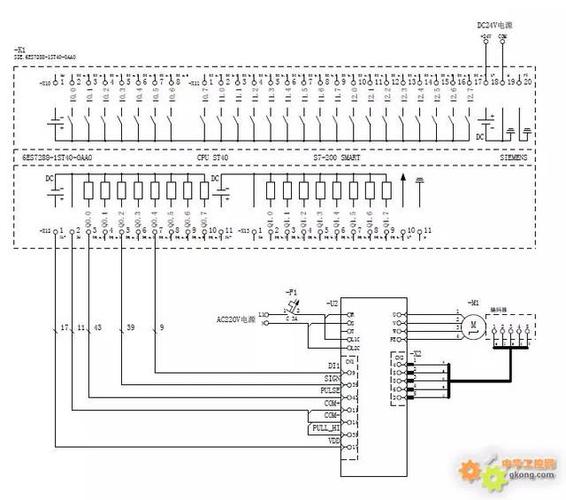
s7-200 smart晶体管型pnp输出形式,对应台达b2伺服说明书接线图,图示
asd-b2-0421-b 台达伺服驱动器-阿里巴巴
台达伺服asd-b2-1021-b 1k
台达伺服驱动asdb23023b保修18个月
台达dvp28sv11plc控制台达b2伺服接线及程序说明
更多推荐
台达b2伺服接线图
台达b2伺服接线图详解
台达b2伺服脉冲接线图
台达伺服接线图
台达b2伺服刹车接线图
台达b2伺服cn1接线图
台达伺服控制器接线图
台达伺服驱动器接线图
台达a2伺服脉冲接线图
台达asdab2接线图
台达B2驱动器接线图
台达asda一b2接线图
台达变频器接线图解
台达伺服驱动器电路图
台达plc外部接线图图解
伺服电机实物接线图
台达伺服电机
台达伺服
台达plc接线图实物
伺服驱动器外部接线图
伺服电机驱动器接线
国产伺服电机
安川伺服
台达变频器
华硕b250m电源接线图解
台达
华硕主板9针接线图解
华硕b250M主板接线图解
台达触摸屏
微星b250主板接线图解