首页
伤感说说
动漫配图
心情说说
抖音文案
伤感图片
伤感说说:
伤感的句子说说心情
空间说说
心情说说
爱情说说
女生伤感说说
人生感悟
心情不好的说说
说说带图片
关于生活的说说
说说心情短语
qq空间说说带图片
个性说说
励志名言
一句话经典语录
感悟人生的经典句子
短句吧
情感故事
抖音文案
伤感图片:
伤感图片带字
非主流伤感图片
唯美伤感图片
女生伤感图片
唯美意境图片
悲伤的图片
唯美意境伤感图片
只有字的伤感图片
说说图片
伤心的图片
美甲图片
图片大全
情感图片
微信头像男
动态壁纸
动漫配图
伤感图片
首页
>
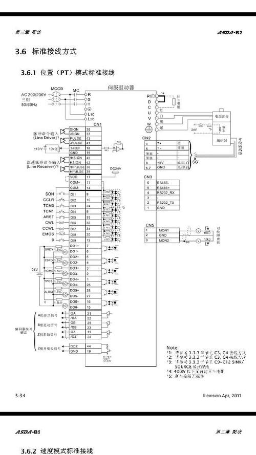
台达伺服b2接线图
台达伺服b2接线图,台达b2伺服接线图
以下是截至台达伺服的说明书中接线的片段,实在不明白是什么意思
台达伺服b2系列接线方法
fx3u驱动台达b2伺服位置控制
台达b2的伺服cn1接线问题
台达plc控制伺服asda说明
更多推荐
台达b2伺服接线图
台达b2伺服接线图详解
台达b2伺服脉冲接线图
台达伺服接线图
台达b2伺服刹车接线图
台达b2伺服cn1接线图
台达伺服控制器接线图
台达伺服驱动器接线图
台达a2伺服脉冲接线图
台达asdab2接线图
台达B2驱动器接线图
台达asda一b2接线图
台达变频器接线图解
台达伺服驱动器电路图
台达plc外部接线图图解
伺服电机实物接线图
台达伺服电机
台达伺服
台达plc接线图实物
伺服驱动器外部接线图
伺服电机驱动器接线
国产伺服电机
安川伺服
台达变频器
华硕b250m电源接线图解
台达
华硕主板9针接线图解
华硕b250M主板接线图解
台达触摸屏
微星b250主板接线图解