首页
伤感说说
动漫配图
心情说说
抖音文案
伤感图片
伤感说说:
伤感的句子说说心情
空间说说
心情说说
爱情说说
女生伤感说说
人生感悟
心情不好的说说
说说带图片
关于生活的说说
说说心情短语
qq空间说说带图片
个性说说
励志名言
一句话经典语录
感悟人生的经典句子
短句吧
情感故事
抖音文案
伤感图片:
伤感图片带字
非主流伤感图片
唯美伤感图片
女生伤感图片
唯美意境图片
悲伤的图片
唯美意境伤感图片
只有字的伤感图片
说说图片
伤心的图片
美甲图片
图片大全
情感图片
微信头像男
动态壁纸
动漫配图
伤感图片
首页
>
福田g7正时链条安装图
福田g7正时链条安装图,福田正时链条安装图解
福田 风景g7 2016款 2.8t 手动 商运版长轴高顶493zlq4
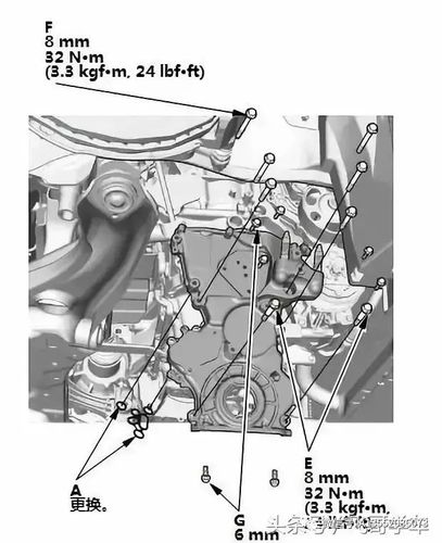
本田l15b2|r18z7发动机正时链条安装及其安装方法
丰田7gr-fks发动机正时安装手册
本田l15b2|r18z7发动机正时链条安装及其安装方法
丰田7gr-fks发动机正时安装手册
更多推荐
福田正时链条安装图解
福田4g15b正时链条图
福田468发动机正时链条
福田468正时链条拆解图
469福田发动机正时链条
福田276发动机正时图
福田双缸276链条安装图
双缸276链条正时图解
福田驭菱发动机正时图
福田469q正时图
福田蒙派克正时图
金马276正时链条图纸
469Q正时链条图
正时链条
福田风景发动机正时图
469q发动机正时链条图
4g15b正时链条对法图
福田468vvt正时拆解图
驭菱4g15b正时链条图
4g15b发动机正时链条图
福田4g15b发动机正时图
福田蒙派克正时记号图
4g15发动机正时图
发动机正时
金马双缸276链条安装图
福田g7汽车报价及图片
福田g7
链条
福田g7内饰
福田g7货运车