首页
伤感说说
动漫配图
心情说说
抖音文案
伤感图片
伤感说说:
伤感的句子说说心情
空间说说
心情说说
爱情说说
女生伤感说说
人生感悟
心情不好的说说
说说带图片
关于生活的说说
说说心情短语
qq空间说说带图片
个性说说
励志名言
一句话经典语录
感悟人生的经典句子
短句吧
情感故事
抖音文案
伤感图片:
伤感图片带字
非主流伤感图片
唯美伤感图片
女生伤感图片
唯美意境图片
悲伤的图片
唯美意境伤感图片
只有字的伤感图片
说说图片
伤心的图片
美甲图片
图片大全
情感图片
微信头像男
动态壁纸
动漫配图
伤感图片
首页
>
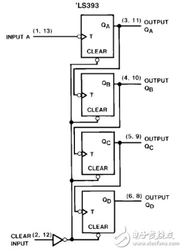
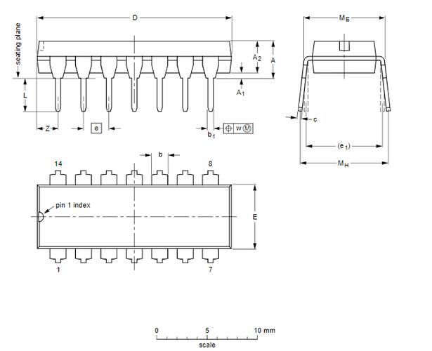
393芯片引脚图
393芯片引脚图,16脚芯片引脚图
芯片8 dip 低功耗电压双比较器 lm393p 直插 松藤 ic集成电路 广东
jf_84164351收藏的文章 - 电子技术论坛 - 广受欢迎的专业电子论坛!
74ls393中文资料汇总74ls393引脚图及逻辑功能工作原理及特性
【74hc393d pdf数据手册】_中文资料_引脚图及功能_(恩智浦 nxp)-采芯
ad8310 引脚图
更多推荐
16脚芯片引脚图
芯片引脚图
393芯片引脚图及功能
lm393引脚图
358芯片引脚图及功能表
单片机引脚图
7905引脚图
393芯片
9014引脚图
9013引脚图和原理图
引脚图
lm393引脚图各脚电压
数码管引脚图
lm339引脚图及功能
lm317引脚图
dht11引脚图
74hc00引脚图
各种芯片图片
7805引脚图
74ls00引脚图
lm358引脚图
芯片图
智能芯片图片
芯片图片高清
芯片内部结构图
74ls86引脚图
LM358芯片
高科技芯片图片
ua741引脚图
芯片设计图片