首页
伤感说说
动漫配图
心情说说
抖音文案
伤感图片
伤感说说:
伤感的句子说说心情
空间说说
心情说说
爱情说说
女生伤感说说
人生感悟
心情不好的说说
说说带图片
关于生活的说说
说说心情短语
qq空间说说带图片
个性说说
励志名言
一句话经典语录
感悟人生的经典句子
短句吧
情感故事
抖音文案
伤感图片:
伤感图片带字
非主流伤感图片
唯美伤感图片
女生伤感图片
唯美意境图片
悲伤的图片
唯美意境伤感图片
只有字的伤感图片
说说图片
伤心的图片
美甲图片
图片大全
情感图片
微信头像男
动态壁纸
动漫配图
伤感图片
首页
>
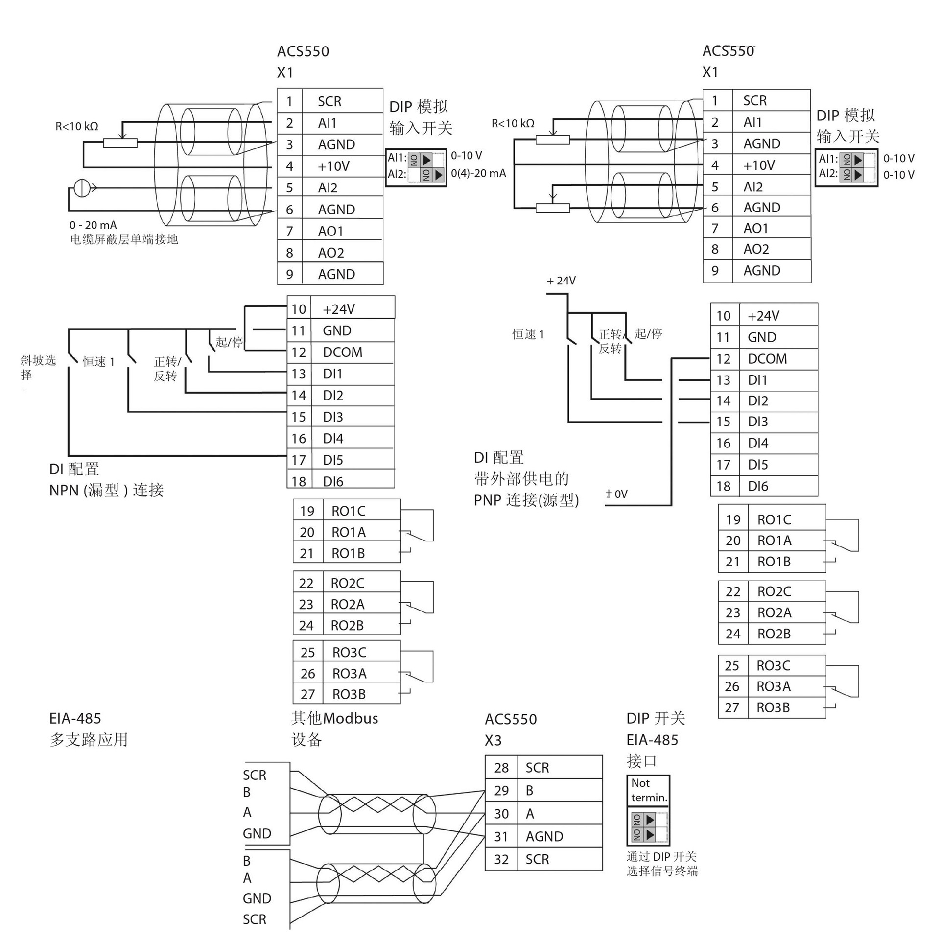
abb变频器接线原理图
abb变频器接线原理图,abb变频器控制线接线图
电子电工仪器 电子仪表 变频器 瑞士abb变频器ach550 abb变频器接线
原装abb变频器acs550-01-195a-4 升级款acs880-01-206a-3
abb变频器acs510的spfc功能控制三台水泵._doc
现货供应acs310-03e-08a0-4 abb变频器3kw全新原装正品
abb变频器acs510系列恒压供水接线图及参数设置
更多推荐
abb变频器控制线接线图
abb变频器接线图
abb变频器实物接线图
abb变频器接线图解
abb变频器端子接线图
abb变频器一拖二接线图
变频器接线图电路图
变频器接线图实物图
abb变频器接线端子
ABB变频器接线图
一般变频器实物接线图
变频器怎么接线实物图
变频器接线图
变频器控制接线实物图
变频器外部接线图
变频器的接线方法图
变频器二次接线图
变频器外部控制接线图
三相变频器接线图
变频器安装及接线图
变频器接线图220v
变频器控制电机接线图
变频器接线端子说明图
台达变频器接线图解
变频器一拖二接线图
abb软启动器接线图
ABB变频器接线
abb变频器acs510接线图
acs800变频器接线图
变频器接线