首页
伤感说说
动漫配图
心情说说
抖音文案
伤感图片
伤感说说:
伤感的句子说说心情
空间说说
心情说说
爱情说说
女生伤感说说
人生感悟
心情不好的说说
说说带图片
关于生活的说说
说说心情短语
qq空间说说带图片
个性说说
励志名言
一句话经典语录
感悟人生的经典句子
短句吧
情感故事
抖音文案
伤感图片:
伤感图片带字
非主流伤感图片
唯美伤感图片
女生伤感图片
唯美意境图片
悲伤的图片
唯美意境伤感图片
只有字的伤感图片
说说图片
伤心的图片
美甲图片
图片大全
情感图片
微信头像男
动态壁纸
动漫配图
伤感图片
首页
>
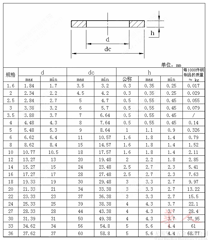
平垫规格
平垫规格,规格
规格齐全 量大从优品名:8级高强度平垫材质:碳钢 45#规格:m8-m64表面
全规格 不锈钢304小平垫 平垫片平垫圈m2m3m4m5m6m8m10m12
gb1230的平垫规格22外径是46(最大47,最小45.
佰瑞特 201不锈钢垫圈平垫片加厚圆形介子金属螺丝平
din125 材料等级 铜及铜合金 产品等级 a级 样品或现货 现货 产品规格
更多推荐
规格
钢管规格
线管规格
方管规格
槽钢规格
角钢规格
螺纹规格
电缆规格
钢筋规格
轮胎规格
电线规格
扁铁规格表
模板尺寸规格
A4纸规格
h型钢规格
丝锥规格型号
方管规格尺寸表
多孔砖规格
水管规格尺寸对照表
电缆桥架的规格和型号
链条规格型号对照表
轮胎规格参数表图
线槽规格和型号图片