首页
伤感说说
动漫配图
心情说说
抖音文案
伤感图片
伤感说说:
伤感的句子说说心情
空间说说
心情说说
爱情说说
女生伤感说说
人生感悟
心情不好的说说
说说带图片
关于生活的说说
说说心情短语
qq空间说说带图片
个性说说
励志名言
一句话经典语录
感悟人生的经典句子
短句吧
情感故事
抖音文案
伤感图片:
伤感图片带字
非主流伤感图片
唯美伤感图片
女生伤感图片
唯美意境图片
悲伤的图片
唯美意境伤感图片
只有字的伤感图片
说说图片
伤心的图片
美甲图片
图片大全
情感图片
微信头像男
动态壁纸
动漫配图
伤感图片
首页
>
thk导轨样本
thk导轨样本,日本thk导轨
hsr65r|hsr65lr滑块导轨|thk直线导轨滑块现货
thk机床用超重载导轨
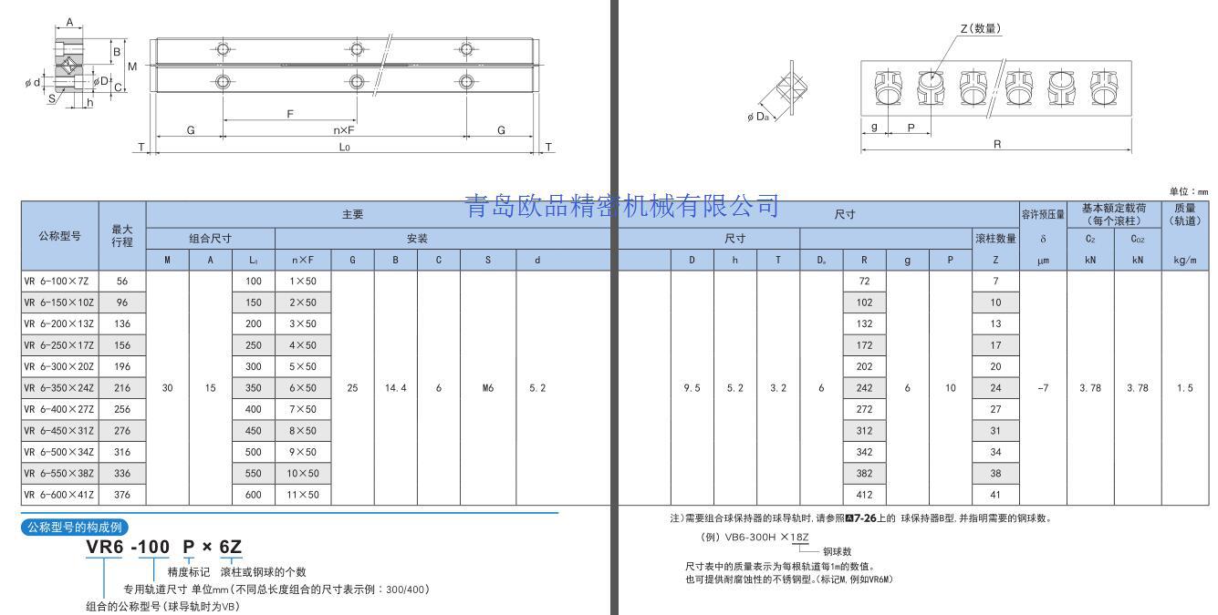
供应thk 交叉滚柱导轨vr型 vr9-200x10z
thk交叉滚子导轨vr6-100x7z,6100t
thk直线导轨,hsr15r滑块,hsr15rm滑块,特价
更多推荐
日本thk导轨
thk导轨
thk弧形导轨
thk导轨图片
日本thk丝杆导轨
thk导轨滑块型号
日本thk直线导轨
thk导轨型号资料
thk直线导轨型号
thk直线导轨滑块型号
导轨
thk滚珠丝杠
导轨与滑块
导轨蚊帐
环形导轨
滑道导轨
导轨插座
导轨床
V型导轨
滑轮导轨
thk
圆弧导轨
滑动导轨
上银导轨
抽屉导轨
thk轴承
链条导轨
交叉滚子导轨
THK直线导轨
直线导轨规格