首页
伤感说说
动漫配图
心情说说
抖音文案
伤感图片
伤感说说:
伤感的句子说说心情
空间说说
心情说说
爱情说说
女生伤感说说
人生感悟
心情不好的说说
说说带图片
关于生活的说说
说说心情短语
qq空间说说带图片
个性说说
励志名言
一句话经典语录
感悟人生的经典句子
短句吧
情感故事
抖音文案
伤感图片:
伤感图片带字
非主流伤感图片
唯美伤感图片
女生伤感图片
唯美意境图片
悲伤的图片
唯美意境伤感图片
只有字的伤感图片
说说图片
伤心的图片
美甲图片
图片大全
情感图片
微信头像男
动态壁纸
动漫配图
伤感图片
首页
>
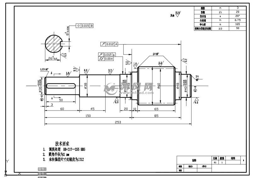
减速器输入轴零件图
减速器输入轴零件图,减速器主动轴零件图
机械减速器轴类零件
一级圆柱齿轮减速器cad设计图
二级直齿减速机中速轴零件图
斜齿圆柱圆锥齿轮减速器装配图及其零件图
单级圆柱减速器设计说明书图纸全套齐全含全套cad图纸
更多推荐
减速器主动轴零件图
减速器装配图及零件图
减速器零件图
一级减速器零件图
齿轮减速器零件图
减速器箱盖零件图
减速器箱体零件图
蜗杆减速器零件图
二级齿轮减速器零件图
二级减速器箱体零件图
二级减速器零件图高清
一级减速器零件图手绘
齿轮轴零件图
减速器装配图
减速器轴
主动齿轮轴零件图
齿轮减速器装配图
轴的零件图
减速器装配图高清晰
减速机轴图纸
减速器主动轴
减速器箱体三维图
减速器传动示意图
二级齿轮减速器装配图
一级减速器装配图高清
减速器箱体图
减速器装配图手绘
零件图装配图
拨叉零件图三视图
一级减速器装配图手绘