首页
伤感说说
动漫配图
心情说说
抖音文案
伤感图片
伤感说说:
伤感的句子说说心情
空间说说
心情说说
爱情说说
女生伤感说说
人生感悟
心情不好的说说
说说带图片
关于生活的说说
说说心情短语
qq空间说说带图片
个性说说
励志名言
一句话经典语录
感悟人生的经典句子
短句吧
情感故事
抖音文案
伤感图片:
伤感图片带字
非主流伤感图片
唯美伤感图片
女生伤感图片
唯美意境图片
悲伤的图片
唯美意境伤感图片
只有字的伤感图片
说说图片
伤心的图片
美甲图片
图片大全
情感图片
微信头像男
动态壁纸
动漫配图
伤感图片
首页
>
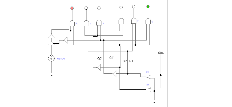
简易交通灯电路图
简易交通灯电路图,简易电路图红绿灯
怎样用计数器和门电路设计一个简易交通灯控制电路
交通灯原理图
交通灯时间控制电路图
数电课程设计——交通灯控制电路
基于51单片机的交通灯设计
更多推荐
简易电路图红绿灯
简易电子开关电路图
简易电路图
直流变交流简易电路图
起动机简易电路图
简易反相器电路图
简易电路图怎么画
空调的简易电路图
简易人体感应灯电路图
简易喇叭电路图
电路图图解
简单电路图
交通灯红灯图片
交通灯红绿灯图片
12v充电器电路图简易
电路图讲解和实物图
交通灯流程图
交通灯规则图解
交通灯图片简笔画
最简单10个电路图
交通灯卡通图片
交通灯图片
电路图常见
开关电源电路图及原理
小学生简单电路图
摩托车电路图接线图解
电路图
简易电路图怎么画小学
入门电路图
电路图入门