首页
伤感说说
动漫配图
心情说说
抖音文案
伤感图片
伤感说说:
伤感的句子说说心情
空间说说
心情说说
爱情说说
女生伤感说说
人生感悟
心情不好的说说
说说带图片
关于生活的说说
说说心情短语
qq空间说说带图片
个性说说
励志名言
一句话经典语录
感悟人生的经典句子
短句吧
情感故事
抖音文案
伤感图片:
伤感图片带字
非主流伤感图片
唯美伤感图片
女生伤感图片
唯美意境图片
悲伤的图片
唯美意境伤感图片
只有字的伤感图片
说说图片
伤心的图片
美甲图片
图片大全
情感图片
微信头像男
动态壁纸
动漫配图
伤感图片
首页
>
旧电表改电焊机接线图
旧电表改电焊机接线图,老旧电表改焊机接线法
电焊机接线方法图-电子发烧友网
电焊机开关箱接线图
三相电用单相电表怎么接负载是电焊机
这种电焊机怎么接线?是不是把火线接220和380上面都可以.
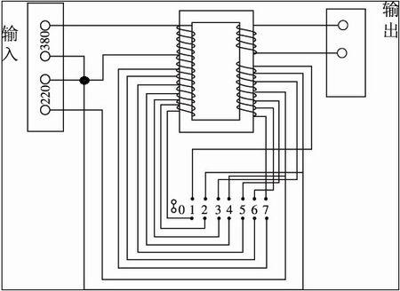
小型220.380伏电压输入电焊机接线图
更多推荐
老旧电表改焊机接线法
电表改电焊机
老电表改220伏电焊机
旧电表改装电焊机
旧电表
自制小型点焊机
自制电焊机
电焊机价格表
老式线圈电焊机接线图
电焊机维修
电表线圈改电焊机
老式电表线圈做电焊机
老式电表制作电焊机
电焊机电路图
家用电焊机
电焊机接线方法图
旧电表接线图实物图
老电表改电焊机
12v电瓶电焊机
老式电表改电焊机教程
电表变压器改点焊机
电焊机图片
电焊机
电焊机220伏
交流电焊机
逆变电焊机
凯尔达电焊机
电焊机型号
电焊机原理
小型电焊机