首页
伤感说说
动漫配图
心情说说
抖音文案
伤感图片
伤感说说:
伤感的句子说说心情
空间说说
心情说说
爱情说说
女生伤感说说
人生感悟
心情不好的说说
说说带图片
关于生活的说说
说说心情短语
qq空间说说带图片
个性说说
励志名言
一句话经典语录
感悟人生的经典句子
短句吧
情感故事
抖音文案
伤感图片:
伤感图片带字
非主流伤感图片
唯美伤感图片
女生伤感图片
唯美意境图片
悲伤的图片
唯美意境伤感图片
只有字的伤感图片
说说图片
伤心的图片
美甲图片
图片大全
情感图片
微信头像男
动态壁纸
动漫配图
伤感图片
首页
>
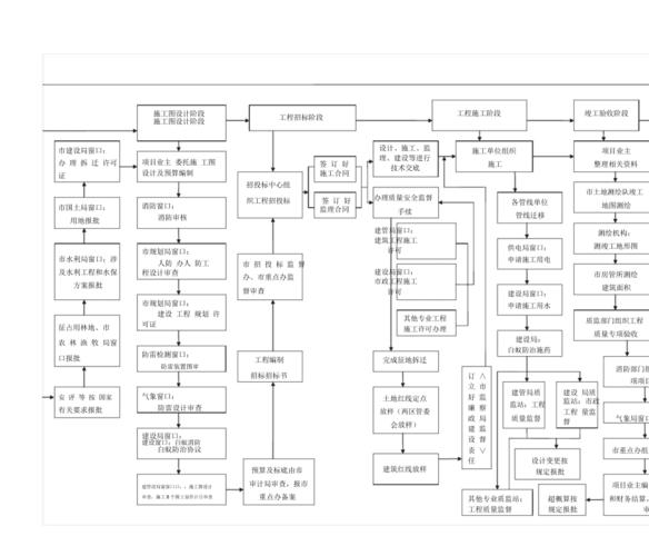
项目方案流程图
项目方案流程图,工程项目流程图
市政工程项目流程图
工程项目结算流程图
项目管理流程图
项目工程施工流程图
政府投资项目工作流程图
更多推荐
工程项目流程图
方案流程图
项目流程图
项目流程图模板
项目进度流程图
项目审批流程图
销售方案流程图
项目开发流程图
项目流程图软件
工程建设项目流程图
工程项目管理流程图
大创项目流程图
项目全过程管理流程图
建设项目全过程流程图
发改委项目立项流程图
epc项目立项流程图
项目流程
epc项目流程图
项目流程图怎么画
工程流程图
一个完整的项目流程图
政府投资项目流程图
项目管理整个流程图
程序流程图
项目开发流程
项目施工流程
流程图的图形说明
流程图
流程图怎么做
流程图模板