首页
伤感说说
动漫配图
心情说说
抖音文案
伤感图片
伤感说说:
伤感的句子说说心情
空间说说
心情说说
爱情说说
女生伤感说说
人生感悟
心情不好的说说
说说带图片
关于生活的说说
说说心情短语
qq空间说说带图片
个性说说
励志名言
一句话经典语录
感悟人生的经典句子
短句吧
情感故事
抖音文案
伤感图片:
伤感图片带字
非主流伤感图片
唯美伤感图片
女生伤感图片
唯美意境图片
悲伤的图片
唯美意境伤感图片
只有字的伤感图片
说说图片
伤心的图片
美甲图片
图片大全
情感图片
微信头像男
动态壁纸
动漫配图
伤感图片
首页
>
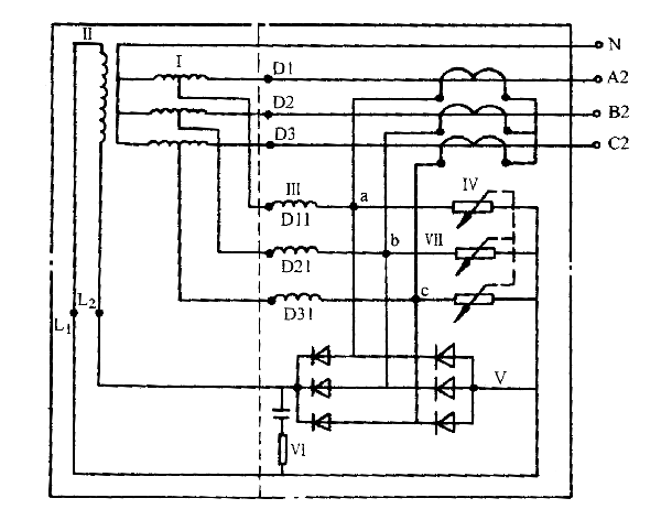
三相同步发电机原理图
三相同步发电机原理图,三相同步发电机接线图
请问你有三相电源发电机原理图吗
三相同步发电机的原理图 发电机的三相绕组及其中的电压,电动势
电路接线图 柴油发电机实质是一台三次谐波自励磁凸极式三相四线同步
t2系列三相交流同步发电机结构简介2~250kw
三相交流同步发电机接线原理图
更多推荐
三相同步发电机接线图
三相三速电机原理图
三相同步发电机
同步发电机的工作原理
三相同步电动机接线图
三相同步电机接线图
三相交流同步发电机
三相电抗器原理图
同步发电机内部接线图
双速电机接线图原理图
三相柴油发电机接线图
三相发电机输出接线图
同步发电机结构图
三相自耦变压器原理图
三相变压器原理图
三相调压器原理图
三相交流接触器原理图
三相电机高低速接线图
原理图工作原理
三相三速9线电机接线
同步发电机图片
凸极同步发电机
隐极同步发电机
隐极式同步发电机
同步发电机励磁系统
同步发电机
同步发电机转子
并联电抗器原理图
同步发电机结构
三相电抗器实物接线图