首页
伤感说说
动漫配图
心情说说
抖音文案
伤感图片
伤感说说:
伤感的句子说说心情
空间说说
心情说说
爱情说说
女生伤感说说
人生感悟
心情不好的说说
说说带图片
关于生活的说说
说说心情短语
qq空间说说带图片
个性说说
励志名言
一句话经典语录
感悟人生的经典句子
短句吧
情感故事
抖音文案
伤感图片:
伤感图片带字
非主流伤感图片
唯美伤感图片
女生伤感图片
唯美意境图片
悲伤的图片
唯美意境伤感图片
只有字的伤感图片
说说图片
伤心的图片
美甲图片
图片大全
情感图片
微信头像男
动态壁纸
动漫配图
伤感图片
首页
>
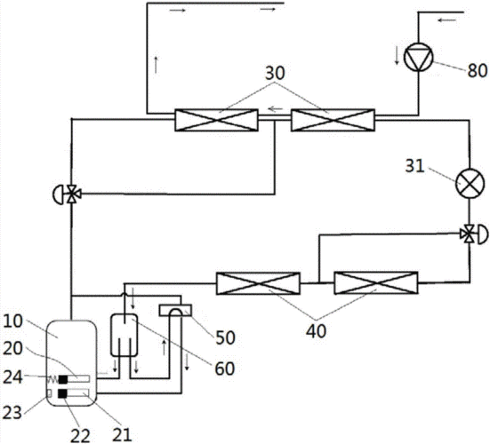
美的空气能外机接线图
美的空气能外机接线图,空气能外机接线图
美的空调外机线怎么接,看图和我说下顺序,急急急!
美的空气源热泵热水机ppt
追问: 好的 怎么上面第四没接线 追答: 第四根是外机风扇电机,可能
【生能科普】空气源热泵分体式烘干机安装调试!
技术介绍 现有空气能热水器系统均使用压缩机.
更多推荐
空气能外机接线图
海尔空气能外机接线图
美的空气能接线图
空气能电气线路接线图
空气能接线图机组
空气能主机接线图
空气能线路接线图
空调外机改空气能图纸
空气能接线图
空气能热泵接线图
空气能热水器接线图
三相空气能接线图
空气能控制器接线图
空气能配电箱接线图
空气能控制面板接线图
海尔空气能电源接线图
空气能主板接线图
空气源热泵电气接线图
空气能外机
美的空气能热水器
美的300升空气能安装图
空气能热水器安装图
空气能热水器开关图
空气能循环水泵安装图
美的空气能
空气能热水机
家用空气能安装图
空气能室内机图片大全
空气能安装示意图
空气能回水管安装图