首页
伤感说说
动漫配图
心情说说
抖音文案
伤感图片
伤感说说:
伤感的句子说说心情
空间说说
心情说说
爱情说说
女生伤感说说
人生感悟
心情不好的说说
说说带图片
关于生活的说说
说说心情短语
qq空间说说带图片
个性说说
励志名言
一句话经典语录
感悟人生的经典句子
短句吧
情感故事
抖音文案
伤感图片:
伤感图片带字
非主流伤感图片
唯美伤感图片
女生伤感图片
唯美意境图片
悲伤的图片
唯美意境伤感图片
只有字的伤感图片
说说图片
伤心的图片
美甲图片
图片大全
情感图片
微信头像男
动态壁纸
动漫配图
伤感图片
首页
>
空气源热泵外机接线图
空气源热泵外机接线图,空气源热泵电气接线图
分享空气源热泵采暖流程图资料下载
空气能(源)热泵地暖系统原理
空气源热泵冷热水机组供暖,空调两用系统图示及控制原理详解
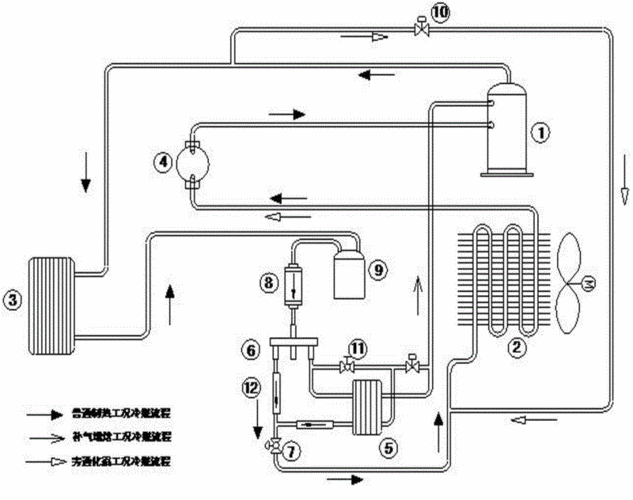
cn201866928u_带经济器的准二级压缩超低温空气源热泵热水机有效
空气源热泵三联供一机解决地暖 空调 热水
更多推荐
空气源热泵电气接线图
空气能外机接线图
空气源热泵室外机
空气源热泵原理图
空气能热水器接线图
空气源热泵安装图
空气源热泵工作原理图
空气源热泵简图
空气源热泵系统图
空气源热泵图标
空气源热泵效果图
空气源热泵
空气源热泵工作原理
空气源热泵内部结构
空气源热泵铭牌
空气源热泵·史密斯
空气源热泵系统原理
空气源热泵系统
空气源热泵样本
空气源热泵采暖系统
住宅空气源热泵
空气能控制器接线图
空气源热泵水箱
空气源热泵海报
空气源热水器
空气源