首页
伤感说说
动漫配图
心情说说
抖音文案
伤感图片
伤感说说:
伤感的句子说说心情
空间说说
心情说说
爱情说说
女生伤感说说
人生感悟
心情不好的说说
说说带图片
关于生活的说说
说说心情短语
qq空间说说带图片
个性说说
励志名言
一句话经典语录
感悟人生的经典句子
短句吧
情感故事
抖音文案
伤感图片:
伤感图片带字
非主流伤感图片
唯美伤感图片
女生伤感图片
唯美意境图片
悲伤的图片
唯美意境伤感图片
只有字的伤感图片
说说图片
伤心的图片
美甲图片
图片大全
情感图片
微信头像男
动态壁纸
动漫配图
伤感图片
首页
>
网络图母线法
网络图母线法,母线法双代号网络图
双母线供电的倒母线方法和系统技术方案
务必掌握二建双代号网络计划寻找关键线路及计算工期
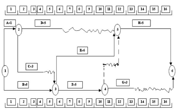
当交叉不可避免时,可用过桥法或指向法;(5)母线法(某节点有多条外向箭
(3)双代号时标网络计划(2)单代号绘图法(1)双代号绘图法(一)进度计划
⑸ 当节点有多条外向和内向箭线时, 可使用母线法绘制.
更多推荐
母线法双代号网络图
母线法
母线实物图
网络接法怎么接图片
双母线接线
单母线接线
母线图片
箭线图法
网络图
网络图图片素材
施工网络图
封闭母线图片
知识网络图
网络图卡通图片
双代号网络图指向法
双代号网络图
时标网络图
网络不是法外之地图片
单代号网络图
母线连接
网络热图
网络并非法外之地
网络不是法外之地
主题网络图
网络计划图
网络计划法
管母线
母线
母线安装
网络架构图