首页
伤感说说
动漫配图
心情说说
抖音文案
伤感图片
伤感说说:
伤感的句子说说心情
空间说说
心情说说
爱情说说
女生伤感说说
人生感悟
心情不好的说说
说说带图片
关于生活的说说
说说心情短语
qq空间说说带图片
个性说说
励志名言
一句话经典语录
感悟人生的经典句子
短句吧
情感故事
抖音文案
伤感图片:
伤感图片带字
非主流伤感图片
唯美伤感图片
女生伤感图片
唯美意境图片
悲伤的图片
唯美意境伤感图片
只有字的伤感图片
说说图片
伤心的图片
美甲图片
图片大全
情感图片
微信头像男
动态壁纸
动漫配图
伤感图片
首页
>
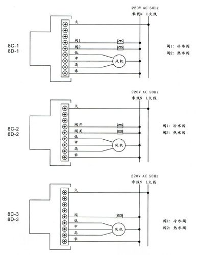
四根线水温表接线图
四根线水温表接线图,三相四线电表接线图
水温表如何看?水温表是用来指示哪个部件的温度
水温温控器接线实物图
温度控制器接线方法_温度控制器接线图
配电通|54种电动机电气控制电路接线图
首页 供应 仪器仪表 温度仪表 温度控制(调节)器 t2000温度控制器
更多推荐
三相四线电表接线图
2根线接3插头接线图解
三相四线电度表接线图
五根线浴霸接线图解
空调三根线接线图解
消防按钮四根线接线图
浴霸接线图五根线
压力开关4根线接线图
220v电机4根线接线图
浴霸开关接线图5根线
led灯三根线接线图
插线板接线图解ln
美的空调五根线接线图
断火限位器5线接线图
接触器接线图
交流接触器接线图
手机充电线接线图解
led灯三根三色线接线图
浴霸4开5线接线图片
阿尔派cd尾线接线图
485通讯2芯线接线图
海尔空调接线图4根线
电表怎么接线
usb接口接线图
接线
开关接线图
双控开关接线图
双联双控开关接线图
单开双控开关接线图解
多控开关接线图