首页
伤感说说
动漫配图
心情说说
抖音文案
伤感图片
伤感说说:
伤感的句子说说心情
空间说说
心情说说
爱情说说
女生伤感说说
人生感悟
心情不好的说说
说说带图片
关于生活的说说
说说心情短语
qq空间说说带图片
个性说说
励志名言
一句话经典语录
感悟人生的经典句子
短句吧
情感故事
抖音文案
伤感图片:
伤感图片带字
非主流伤感图片
唯美伤感图片
女生伤感图片
唯美意境图片
悲伤的图片
唯美意境伤感图片
只有字的伤感图片
说说图片
伤心的图片
美甲图片
图片大全
情感图片
微信头像男
动态壁纸
动漫配图
伤感图片
首页
>
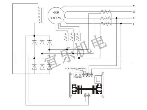
发电机三次谐波接线图
发电机三次谐波接线图,三相发电机谐波绕组图
船用轴带发电机 avr三次谐波励磁有刷发电机调节器(内置volt)130n
(四)端盖在正整流板上有一个输出接线柱b(发电机的输出端).
正文 一般大,中型发电机在电力系统中大都采用发电机变压器组的接线
有刷发电机dx-8e相复励avr调压板三次谐波励磁式自动电压调节器
三次谐波励磁电路由发电机g的等励磁绕组we,谐波绕组wf,整流桥堆ur
更多推荐
三相发电机谐波绕组图
发电机三根线接线图解
三相发电机励磁接线图
发电机基波绕组接线图
三相发电机绕组接线图
发电机四根线接线图解
发电机电瓶接线图解
发电机电瓶接线实物图
发电机谐波绕组展开图
发电机励磁绕组接线图
发电机接线图24v
柴油发电机励磁接线图
12v发电机接线图
发电机接线图
拖拉机发电机接线图解
发电机励磁线圈图接法
12v拖拉机发电机接线图
发电机调节器接线图
发电机怎么接线
发电机接线
汽车发电机接线实物图
12v发电机充电瓶接线图
汽车发电机接线图
叉车发电机接线图
发电机励磁电路图
汽车发电机接线
12v发电机调节器接线图
农用车发电机接线图解
三相发电机定子绕组图
380v柴油发电机接线图