首页
伤感说说
动漫配图
心情说说
抖音文案
伤感图片
伤感说说:
伤感的句子说说心情
空间说说
心情说说
爱情说说
女生伤感说说
人生感悟
心情不好的说说
说说带图片
关于生活的说说
说说心情短语
qq空间说说带图片
个性说说
励志名言
一句话经典语录
感悟人生的经典句子
短句吧
情感故事
抖音文案
伤感图片:
伤感图片带字
非主流伤感图片
唯美伤感图片
女生伤感图片
唯美意境图片
悲伤的图片
唯美意境伤感图片
只有字的伤感图片
说说图片
伤心的图片
美甲图片
图片大全
情感图片
微信头像男
动态壁纸
动漫配图
伤感图片
首页
>
经典福克斯ecu针脚图
经典福克斯ecu针脚图,福克斯ecu针脚定义图
图 8v ecu针脚定义
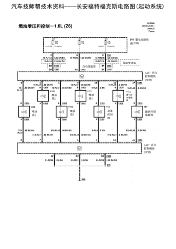
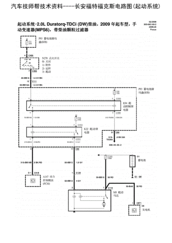
长安福特福克斯电路图(起动系统).pdf
长安福特福克斯电路图(起动系统).pdf
常用丰田发动机电脑ecu针脚定义和部分接线方法
常用丰田发动机电脑ecu针脚定义和部分接线方法
更多推荐
福克斯ecu针脚定义图
福克斯电脑92针脚图
福克斯电脑板针脚图
经典福克斯中控
福特经典福克斯
经典福克斯
现代悦动ecu针脚图
汽车ecu针脚图
经典福克斯改装图片
经典福克斯保险盒图解
经典福克斯改装
经典福克斯两厢
经典福克斯三厢
潍柴自主ecu针脚高清图
汽车ecu针脚图接线
福克斯经典款
玉柴自主ecu针脚定义图
经典福克斯两厢1.8
经典福克斯两厢1.8图片
经典福克斯三厢1.8
菱电电控ecu针脚图
经典福克斯爆改
经典福克斯两厢1.8改装
经典福克斯改装壁纸
经典福克斯两厢1.8内饰
经典福克斯两厢1.8参数
经典福克斯三厢1.8参数
经典福克斯壁纸
经典福克斯改装黑武士
福特福克斯