福瑞迪1.6正时链条记号,福瑞迪正时链条图彩图

转3年秀尔因发动机和小福一样g4fc的大修拆开图无语

福瑞迪的发动机全系使用的是正时链条.γ发动机都是一样的.

朗动1.6正时链条怎么(悦动1.6正时链条图解)【汽车网

起亚福瑞迪发动机正时链条跑多少公里更换

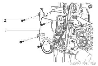
悦达起亚福瑞迪(dohc 1.6 l型发动机)正时校对方法
- 福瑞迪正时链条图彩图
- 1.6福瑞迪正时详细图
- 福瑞迪正时链条校正图
- 起亚福瑞迪正时高清图
- 11款福瑞迪正时链条
- 朗动1.6正时链条记号图
- 福瑞迪正时记号图
- 2010福瑞迪正时链条
- 福瑞迪正时链条对图
- 赛拉图正时链条记号图
- 09款福瑞迪正时链条
- 起亚福瑞迪正时链条
- 起亚k2正时链条记号图
- 起亚福瑞迪正时链条图
- 4a15正时链条记号点图
- 荣威350正时链条记号图
- 福迪正时链条安装图
- 福瑞迪16vvt正时图
- 老款朗逸1.6正时链条图
- 赛拉图1.6小链条正时图
- 起亚福瑞迪凸轮轴记号
- 赛拉图小链条正时图解
- 朗动更换正时链条图解
- 09款福瑞迪正时安装
- polo1.4正时链条安装图
- 起亚福瑞迪点火正时图
- 赛拉图后边链条正时图
- 云内d19正时链条安装图
- 名爵3正时链条安装图
- 荣威350正时链条安装图
