首页
伤感说说
动漫配图
心情说说
抖音文案
伤感图片
伤感说说:
伤感的句子说说心情
空间说说
心情说说
爱情说说
女生伤感说说
人生感悟
心情不好的说说
说说带图片
关于生活的说说
说说心情短语
qq空间说说带图片
个性说说
励志名言
一句话经典语录
感悟人生的经典句子
短句吧
情感故事
抖音文案
伤感图片:
伤感图片带字
非主流伤感图片
唯美伤感图片
女生伤感图片
唯美意境图片
悲伤的图片
唯美意境伤感图片
只有字的伤感图片
说说图片
伤心的图片
美甲图片
图片大全
情感图片
微信头像男
动态壁纸
动漫配图
伤感图片
首页
>
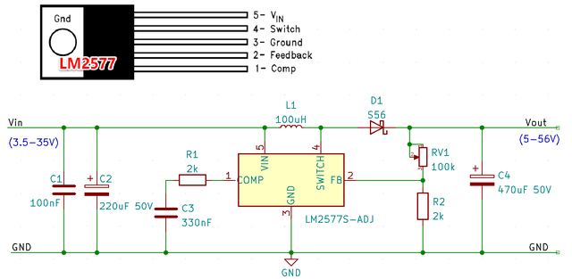
简易直流升压电路图
简易直流升压电路图,3v升压9v简易电路制作
直流电压升压降压变换原理
555直流变换四种升压源电路
220v交流转5v直流电路详细
实验电路在上一篇文章升压型直流开关电源基本原理中我们使用 arduino
常见直流升压电路介绍及优缺点分析
更多推荐
3v升压9v简易电路制作
一节干电池升压电路
直流二倍压电路图
PWM电路
1.5伏升压电路图
3v升压220v电路图
自制超简单升压电路
直流倍压升压电路图
8050升压电路图
直流升压电路
直流二倍压升压电路图
二极管简单升压电路
直流升压电路图
直流变交流简易电路图
大功率直流升压电路图
直流电焊机电路图
直流调压电路图
电感升压电路图
直流电源电路图
交流转直流电路图
简易电子开关电路图
直流降压电路图
交流变直流电路图
升压电路图
12v直流升压400v电路图
直流稳压电路图及原理
直流电路图
超简单升压电路
可控硅直流调压电路图
直流电路原理图