首页
伤感说说
动漫配图
心情说说
抖音文案
伤感图片
伤感说说:
伤感的句子说说心情
空间说说
心情说说
爱情说说
女生伤感说说
人生感悟
心情不好的说说
说说带图片
关于生活的说说
说说心情短语
qq空间说说带图片
个性说说
励志名言
一句话经典语录
感悟人生的经典句子
短句吧
情感故事
抖音文案
伤感图片:
伤感图片带字
非主流伤感图片
唯美伤感图片
女生伤感图片
唯美意境图片
悲伤的图片
唯美意境伤感图片
只有字的伤感图片
说说图片
伤心的图片
美甲图片
图片大全
情感图片
微信头像男
动态壁纸
动漫配图
伤感图片
首页
>
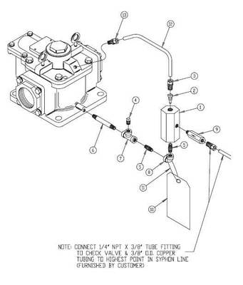
加油站潜油泵结构图
加油站潜油泵结构图,潜油泵加油机结构图
潜油泵/红夹克潜油泵/汽油潜油泵/柴油潜油泵/加油站专用潜油泵
> 产品相册 > 加油机 潜油泵功能特点: 适用于加油站及小型油库
供应加油站油库用电动变频潜油泵
美国 富兰克林 加油站设备 6" 高流量潜油泵维修备件
定速定杆潜油泵 stp-dhib-cbs (加油
更多推荐
潜油泵加油机结构图
加油机潜油泵图片
加油机潜油泵的接线图
红夹克潜油泵结构图
潜油泵工作原理动态图
加油站结构图
加油站结构图建筑
加油站地下油罐结构图
加油站罩棚结构
加油站潜油泵控制线图
加油站图片设计图
加油站图片效果图
加油站设计图
加油站效果图
加油站图片
加油站平面布置图
加油站真实图片
加油站网架图片
加油站高清图片
加油站中国石油
中石油加油站
加油站
加油站卡通图片
bp加油站
中国石化加油站
壳牌加油站
加油站标志
撬装式加油站
撬装加油站
男人的加油站