首页
伤感说说
动漫配图
心情说说
抖音文案
伤感图片
伤感说说:
伤感的句子说说心情
空间说说
心情说说
爱情说说
女生伤感说说
人生感悟
心情不好的说说
说说带图片
关于生活的说说
说说心情短语
qq空间说说带图片
个性说说
励志名言
一句话经典语录
感悟人生的经典句子
短句吧
情感故事
抖音文案
伤感图片:
伤感图片带字
非主流伤感图片
唯美伤感图片
女生伤感图片
唯美意境图片
悲伤的图片
唯美意境伤感图片
只有字的伤感图片
说说图片
伤心的图片
美甲图片
图片大全
情感图片
微信头像男
动态壁纸
动漫配图
伤感图片
首页
>
空气源热泵供热系统图
空气源热泵供热系统图,空气源热泵简图
空气源热泵设计选型与配置大全,一篇就足够!(非暖通人
[分享]欧洲经典的空气源热泵采暖系统图及解析
和西荣:严寒地区空气源热泵供暖工程常见问题与解决办法
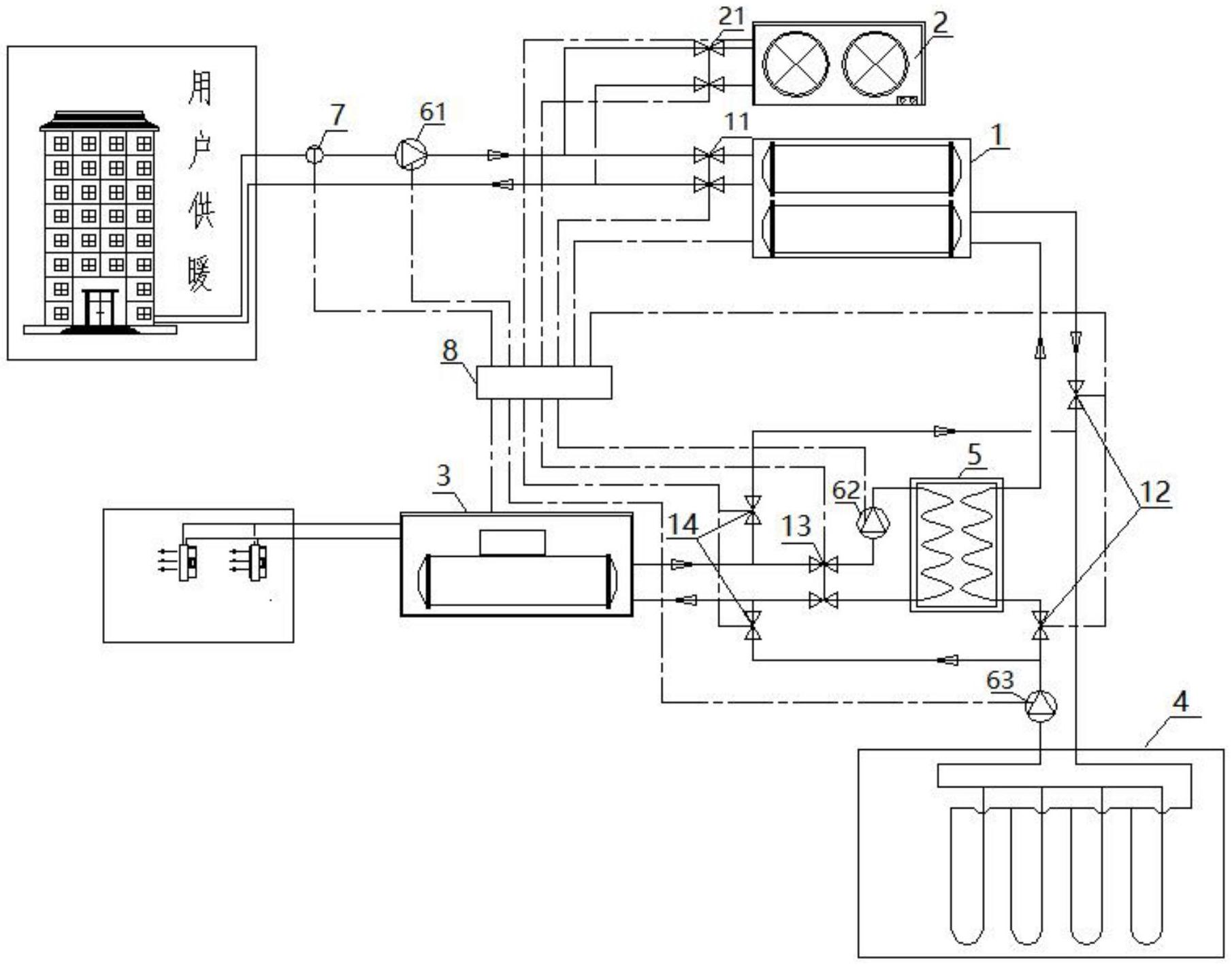
一种地源热泵及空气源热泵供暖冷库补热系统
安全可靠 :空气源热泵热水器是使用电力但并不利用电力直接加热的供热
更多推荐
空气源热泵简图
空气源热泵安装图
空气源热泵安装系统图
空气源热泵系统图
空气源热泵采暖系统
空气源热泵系统
空气源热泵系统原理
空气源热泵原理图
空气源热泵图标
空气源热泵效果图
空气源热泵工作原理图
供热系统图
空气源热泵内部结构
空气源热泵
空气源热泵工作原理
住宅空气源热泵
空气源热泵·史密斯
太阳能供热采暖系统图
空气源热泵样本
空气源热泵室外机
空气源热泵铭牌
风冷热泵系统图
风冷热泵机组系统图
空气源热泵海报
空气源热泵水箱
风冷热泵空调系统图
城市供热系统图解
空气源热水器
供热系统
集中供热系统