首页
伤感说说
动漫配图
心情说说
抖音文案
伤感图片
伤感说说:
伤感的句子说说心情
空间说说
心情说说
爱情说说
女生伤感说说
人生感悟
心情不好的说说
说说带图片
关于生活的说说
说说心情短语
qq空间说说带图片
个性说说
励志名言
一句话经典语录
感悟人生的经典句子
短句吧
情感故事
抖音文案
伤感图片:
伤感图片带字
非主流伤感图片
唯美伤感图片
女生伤感图片
唯美意境图片
悲伤的图片
唯美意境伤感图片
只有字的伤感图片
说说图片
伤心的图片
美甲图片
图片大全
情感图片
微信头像男
动态壁纸
动漫配图
伤感图片
首页
>
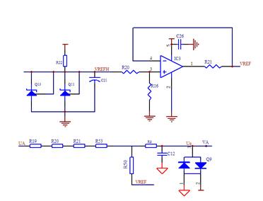
电压采样电路
电压采样电路,电流采样电路
一种电压采样电路的制作方法
电压采集电路
运放电流检测采样电路电压采样电路
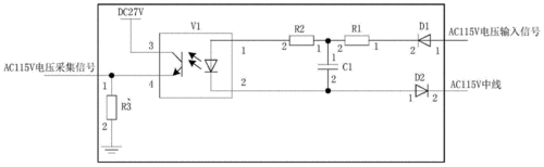
一种应用于飞机ac115v三相交流电的电压采集电路的
一种电压取样电路的制作方法
更多推荐
电流采样电路
电压电流
电压比较器电路图
电压电流图片
跨步电压触电
心电图电压
什么是电压
电压
电路
电压波形
整流电路
逆变电路
电路检测器
电压源
电压表
晶振电路
测电压
跨步电压
电路维修
控制电路
家庭电路
电压监测仪
电路板
全波整流电路
buck电路
电压放大器
电路图
简单电路
电路系统图
电压源符号