首页
伤感说说
动漫配图
心情说说
抖音文案
伤感图片
伤感说说:
伤感的句子说说心情
空间说说
心情说说
爱情说说
女生伤感说说
人生感悟
心情不好的说说
说说带图片
关于生活的说说
说说心情短语
qq空间说说带图片
个性说说
励志名言
一句话经典语录
感悟人生的经典句子
短句吧
情感故事
抖音文案
伤感图片:
伤感图片带字
非主流伤感图片
唯美伤感图片
女生伤感图片
唯美意境图片
悲伤的图片
唯美意境伤感图片
只有字的伤感图片
说说图片
伤心的图片
美甲图片
图片大全
情感图片
微信头像男
动态壁纸
动漫配图
伤感图片
首页
>
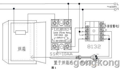
烤箱接线图器及讲解
烤箱接线图器及讲解,烘箱控制线路接线图
30-110度50-300机械开关开水器电烤箱旋钮温控器油炸炉电炸锅温控
美的嵌入式蒸烤箱一体机tqn34fbj-sa拆机详解
正品xmtg 4811温度控制器温控开关 烤箱控温器 dc12v直流电压输入_7折
家里的小烤箱不要了拆下定时器
宇电应用48宇电温控仪ai516与固态继电器在烘箱烤箱中的应用
更多推荐
烘箱控制线路接线图
380v电烤箱接线图
220v电烤箱接线示意图
三相四线烤箱接线图
220v烘箱接线图
几种常用电烤箱电路图
三相四线烤箱接线图解
烤箱温控器接线图解
烤箱接线图解
电烤箱温控器接线图解
380v烤箱接线图解
烤箱电路实物接线图
三相电烤箱接线图
380v烤箱怎么接线图解
三相电烤箱接线实物图
380v电烤箱接线示意图
三相4线配电箱接线图
三相四线怎么接线图解
交流接触器接线图
接触器接线图
380v电烤箱电路图
380v烘箱接线图
三相工业电烤箱电路图
烤箱功能键图解
继电器接线图
三相四线接线盒内部图
三相四线电表接线图
三相380v烘箱接线图
家用烤箱标志大全图解
烤箱符号大全图解