顶级kt88推挽电路图,el34推挽电路图

充电电路图 ->立体声电子管功率放大器电路 当推挽功放管采用kt88

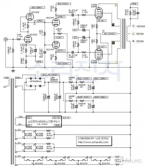
记一款kt88推挽放大器制作日志·上

讨论:kt88用什么推挽线路好.

求一只张电子管kt88推挽机的功放电路

记一款kt88推挽放大器制作日志·下
- el34推挽电路图
- 推挽电路图
- 推挽电路
- kt88超线性电路图
- kt88推挽电路图
- 6n8p推kt88推挽电路图
- 麦景图kt88推挽电路图
- el34推挽胆机电路图
- kt88单端电路图
- kt88电子管功放电路图
- kt88推挽
- 麦景图275胆机电路图
- kt88搭棚图布线图
- kt88推挽胆机
- 顶级300b推挽电路图
- kt88推挽电路图制作
- kt88推挽电路图胆机
- kt88推挽电路图100w
- 电子管推挽电路图
- el34电子管推挽电路图
- 威廉逊6l6推挽电路图
- 电子管kt88单端电路图
- 6550推挽电路图
- 300b推挽胆机电路图
- kt88单端胆机电路图
- el34推挽50w胆机电路图
- 电子管功放电路图大全
- kt88电子管引脚图
- 自制电子管功放电路图
- el34单端电路图
