首页
伤感说说
动漫配图
心情说说
抖音文案
伤感图片
伤感说说:
伤感的句子说说心情
空间说说
心情说说
爱情说说
女生伤感说说
人生感悟
心情不好的说说
说说带图片
关于生活的说说
说说心情短语
qq空间说说带图片
个性说说
励志名言
一句话经典语录
感悟人生的经典句子
短句吧
情感故事
抖音文案
伤感图片:
伤感图片带字
非主流伤感图片
唯美伤感图片
女生伤感图片
唯美意境图片
悲伤的图片
唯美意境伤感图片
只有字的伤感图片
说说图片
伤心的图片
美甲图片
图片大全
情感图片
微信头像男
动态壁纸
动漫配图
伤感图片
首页
>
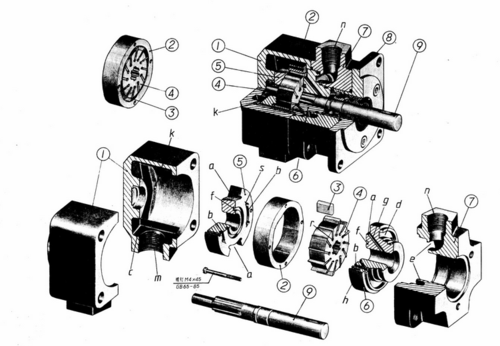
叶片泵零件图
叶片泵零件图,叶片泵装配图
详细叶片泵三维图纸(proe设计)
三元叶片泵各零件图纸
定量叶片泵工作原理及其结构
双作用叶片泵cad图纸
叶片泵的结构零件名称
更多推荐
叶片泵装配图
叶片泵装配图及零件图
叶片泵图片
叶片泵图片剖析图
泵体零件图
叶片泵结构图简图
叶片泵结构图
零件图装配图
叶片泵动图
叶片泵泵芯
零件图机械制图
叶片泵装配示意图
齿轮零件图
零件图三视图
零件图
拨叉零件图三视图
端盖零件图
零件图简单
拨叉零件图
齿轮轴零件图
轴的零件图
标准零件图
零件图高清晰
叶片泵的结构
零件图怎么画
机械零件图
叶片泵
支架零件图
叶片泵实物
cad零件图图纸