首页
伤感说说
动漫配图
心情说说
抖音文案
伤感图片
伤感说说:
伤感的句子说说心情
空间说说
心情说说
爱情说说
女生伤感说说
人生感悟
心情不好的说说
说说带图片
关于生活的说说
说说心情短语
qq空间说说带图片
个性说说
励志名言
一句话经典语录
感悟人生的经典句子
短句吧
情感故事
抖音文案
伤感图片:
伤感图片带字
非主流伤感图片
唯美伤感图片
女生伤感图片
唯美意境图片
悲伤的图片
唯美意境伤感图片
只有字的伤感图片
说说图片
伤心的图片
美甲图片
图片大全
情感图片
微信头像男
动态壁纸
动漫配图
伤感图片
首页
>
大屏导航线路图解
大屏导航线路图解,导航电源线接线图解
本田07 08 09 10 11年老款crv大屏安卓10.2寸电容导航
标致408加装dvd倒车导航一体机; 摄像头标致大灯中控台很好标致408
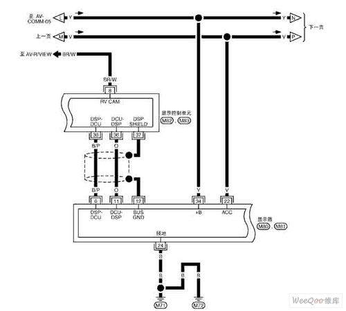
日产电路图:nissan新天籁导航系统电路图十四
适用丰田凯美瑞/亚洲龙/塞纳卡罗拉大屏导航掌讯电源线尾线协议盒
dvd导航坏了,自已动手换装纽曼通用导航车pad2s
更多推荐
导航电源线接线图解
通用导航16针接线图
大屏导航线束图解
大屏导航线路板功能图
车载导航接线图解
大众导航电源接线图解
大屏导航尾线接线图
大屏导航接线图
安卓大屏导航接线图解
通用大屏导航接线图
安卓大屏导航接线图
大屏导航尾线定义图
大屏导航方控接线图
大屏导航后接线图说明
大屏导航16针接线图
大屏安卓导航尾针图解
大屏导航电源线说明图
汽车导航接线图解
大屏导航
导航地图路线
大屏导航宣传
安卓大屏导航
开始导航路线
16针车载导航接线图解
大屏导航均衡器调节图
导航地图路线语音提示
大屏导航海报
安卓大屏尾线定义图
摩托车线路图解接线
图吧导航