首页
伤感说说
动漫配图
心情说说
抖音文案
伤感图片
伤感说说:
伤感的句子说说心情
空间说说
心情说说
爱情说说
女生伤感说说
人生感悟
心情不好的说说
说说带图片
关于生活的说说
说说心情短语
qq空间说说带图片
个性说说
励志名言
一句话经典语录
感悟人生的经典句子
短句吧
情感故事
抖音文案
伤感图片:
伤感图片带字
非主流伤感图片
唯美伤感图片
女生伤感图片
唯美意境图片
悲伤的图片
唯美意境伤感图片
只有字的伤感图片
说说图片
伤心的图片
美甲图片
图片大全
情感图片
微信头像男
动态壁纸
动漫配图
伤感图片
首页
>
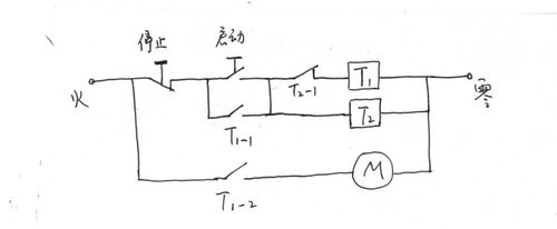
简单延时继电器电路图
简单延时继电器电路图,断电延时继电器电路图
用继电器自制延时开关电路
利用时间继电器控制的单向运转能耗制动
用两个时间继电器控制一电机,停10秒,开10秒,要求电路
时间继电器延时电路
断电延时继电器
更多推荐
断电延时继电器电路图
通电延时继电器电路图
延时继电器电路图
最简单继电器电路图
延时继电器电路图符号
延时继电器电路
时间延时继电器接线图
断电延时继电器接线图
延时继电器接线图
延时继电器示意图
延时继电器接线图说明
简单电路图
6种简单电路图
常用简单电路图
最简单的互锁电路图
延时继电器工作原理图
最简单10个电路图
延时继电器图片
最简单的稳压电路图
最简单的自锁电路图
220v延时继电器接线图
简单电路图入门
ne555最简单电路图
延时继电器
断电延时继电器
通电延时继电器符号
简单电路图怎么画
简单电路图小学
开关电源电路图及原理
简单电路图入门初中