首页
伤感说说
动漫配图
心情说说
抖音文案
伤感图片
伤感说说:
伤感的句子说说心情
空间说说
心情说说
爱情说说
女生伤感说说
人生感悟
心情不好的说说
说说带图片
关于生活的说说
说说心情短语
qq空间说说带图片
个性说说
励志名言
一句话经典语录
感悟人生的经典句子
短句吧
情感故事
抖音文案
伤感图片:
伤感图片带字
非主流伤感图片
唯美伤感图片
女生伤感图片
唯美意境图片
悲伤的图片
唯美意境伤感图片
只有字的伤感图片
说说图片
伤心的图片
美甲图片
图片大全
情感图片
微信头像男
动态壁纸
动漫配图
伤感图片
首页
>
电脑画电路图
电脑画电路图,画电路图
初学者怎么用电脑画出精美的电路图?
宏基4750g笔记本电脑的电路原理图
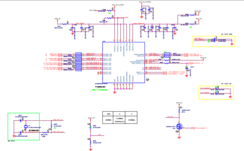
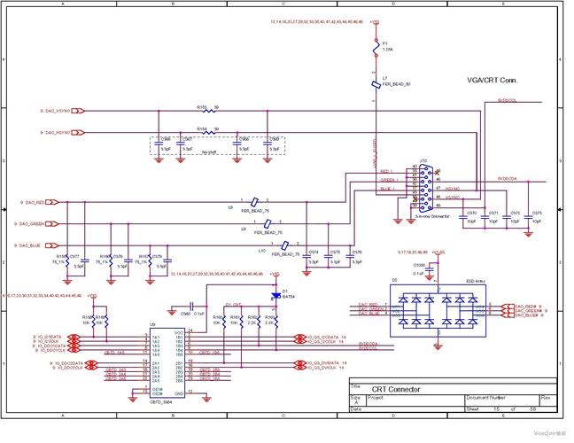
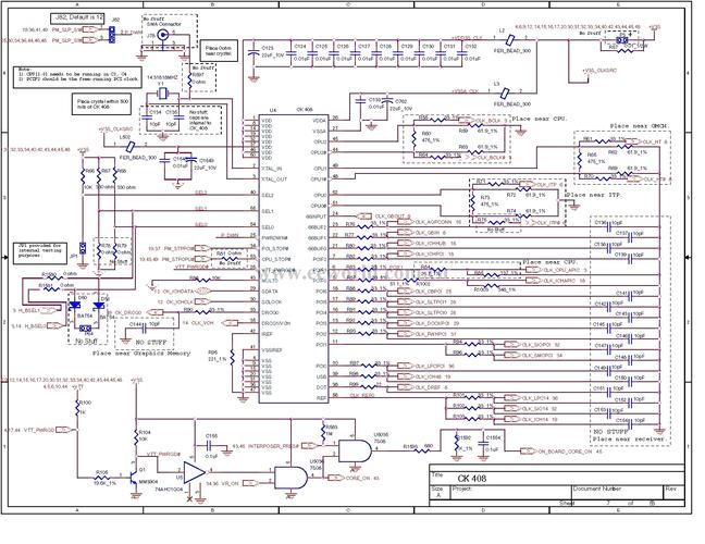
电脑主板电路图820236
lwt2005型atx开关电源电路图
电脑主板电路图 830_07
更多推荐
画电路图
电路图怎么画
电脑画图怎么画
电箱电路图怎么画
电脑画图简笔画
电路图图解
电脑画图画动漫
电脑画图
电脑画简笔画
继电器电路图怎么画
配电箱电路图怎么画
画电路图的软件
电脑画科幻画
简单电路图
cad画电路图
简单电路图怎么画
电路图怎么画教程
并联电路图怎么画
电路图入门
电路图画法秘诀
电脑画设计图
电路图怎么画口诀
电路图
电路图设计
电脑画图怎么画简单
串联电路图怎么画
小学电路图怎么画
并联电路图
电路图实物
逻辑电路图怎么画