首页
伤感说说
动漫配图
心情说说
抖音文案
伤感图片
伤感说说:
伤感的句子说说心情
空间说说
心情说说
爱情说说
女生伤感说说
人生感悟
心情不好的说说
说说带图片
关于生活的说说
说说心情短语
qq空间说说带图片
个性说说
励志名言
一句话经典语录
感悟人生的经典句子
短句吧
情感故事
抖音文案
伤感图片:
伤感图片带字
非主流伤感图片
唯美伤感图片
女生伤感图片
唯美意境图片
悲伤的图片
唯美意境伤感图片
只有字的伤感图片
说说图片
伤心的图片
美甲图片
图片大全
情感图片
微信头像男
动态壁纸
动漫配图
伤感图片
首页
>
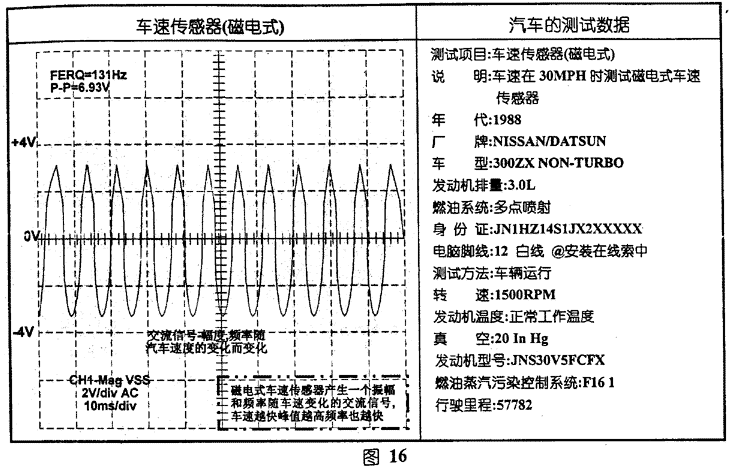
磁电式传感器波形图
磁电式传感器波形图,磁电式传感器图片
it百科 电子技术 传感/控制 > 文章内容: 霍尔式由轴位置传感器波形
车速abs传感器的分类二线霍尔 结构 原理及波形分析
文档网 所有分类 工程科技 电子/电路 汽车传感器波形 爆震传感器是
磁电转速传感器
工程科技 信息与通信 > 各个传感器的波形图 车速传感器检测电控汽车
更多推荐
磁电式传感器图片
磁电式传感器
磁电式速度传感器
磁电式振动传感器
磁电式轮速传感器
磁电式转速传感器
压电传感器电路图
磁电传感器
磁电式位置传感器
压电式传感器原理图
压电式传感器结构图
磁电转速传感器
电阻式传感器图片
压电式传感器
磁簧式传感器接线
压电式传感器应用
磁簧式传感器
磁阻式传感器
光电式传感器
磁敏传感器工作原理图
压电传感器
压电传感器结构
磁传感器
压电薄膜传感器
磁敏传感器图片
压电振动传感器
柔性压电传感器
磁阻传感器
半波整流电路波形图
磁敏传感器