首页
伤感说说
动漫配图
心情说说
抖音文案
伤感图片
伤感说说:
伤感的句子说说心情
空间说说
心情说说
爱情说说
女生伤感说说
人生感悟
心情不好的说说
说说带图片
关于生活的说说
说说心情短语
qq空间说说带图片
个性说说
励志名言
一句话经典语录
感悟人生的经典句子
短句吧
情感故事
抖音文案
伤感图片:
伤感图片带字
非主流伤感图片
唯美伤感图片
女生伤感图片
唯美意境图片
悲伤的图片
唯美意境伤感图片
只有字的伤感图片
说说图片
伤心的图片
美甲图片
图片大全
情感图片
微信头像男
动态壁纸
动漫配图
伤感图片
首页
>
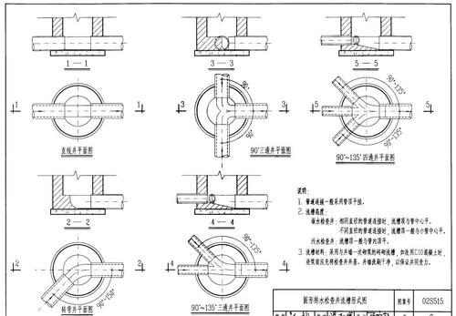
检查井流槽做法
检查井流槽做法,砖砌检查井流槽图片
y9检查井溜槽施工
2,排水管道检查井内的流槽,宜与井壁同时进行砌筑;1,砌筑前砌块应
污水检查井
请问流槽式检查井的作用是什么长什么样子最好发个图谢谢
污水检查井流槽顶可与0.
更多推荐
砖砌检查井流槽图片
检查井内流槽图片
检查井流槽
流槽式检查井做法
污水井流槽做法图集
检查井做法
检查井内流槽
污水井流槽做法
流槽式检查井
检查井流槽图片
污水检查井流槽
污水检查井做法图集
流槽式检查井图片
检查井井筒
检查井流槽施工图片
砖砌污水检查井流槽
检查井沉泥槽
预制检查井
检查井
流槽图片做法
混凝土检查井
水泥检查井
砖砌流槽式检查井图片
检查井图集
排水检查井
检查井爬梯
排水检查井图集
检查井盖板
检查井模具
污水检查井