首页
伤感说说
动漫配图
心情说说
抖音文案
伤感图片
伤感说说:
伤感的句子说说心情
空间说说
心情说说
爱情说说
女生伤感说说
人生感悟
心情不好的说说
说说带图片
关于生活的说说
说说心情短语
qq空间说说带图片
个性说说
励志名言
一句话经典语录
感悟人生的经典句子
短句吧
情感故事
抖音文案
伤感图片:
伤感图片带字
非主流伤感图片
唯美伤感图片
女生伤感图片
唯美意境图片
悲伤的图片
唯美意境伤感图片
只有字的伤感图片
说说图片
伤心的图片
美甲图片
图片大全
情感图片
微信头像男
动态壁纸
动漫配图
伤感图片
首页
>
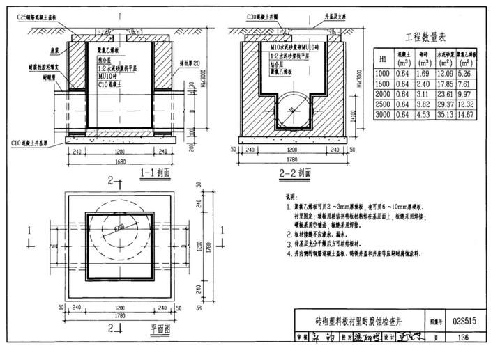
排水检查井图集
排水检查井图集,排水检查井图集20S515
污水检查井图集
切砖雨水检查井给排水图
06ms201-3,《排水检查井》
图集02s515 -2002《排水检查井》
图集02s515 -2002《排水检查井》
更多推荐
排水检查井图集20S515
12s522排水检查井22页
检查井流槽做法
排水检查井图集02s515
砖砌检查井图集
雨水检查井图集
排水检查井
污水检查井做法图集
检查井图集
02s515排水检查井图集
污水检查井标准图集
12s8检查井图集
检查井井筒
污水检查井
检查井图片
水泥检查井
雨水检查井
检查井内流槽图片
06ms201-3检查井图集
检查井流槽
预制检查井
检查井盖板
检查井
混凝土检查井
塑料检查井
检查井模具
砖砌检查井
检查井爬梯
检查井做法
02s404防水套管图集