首页
伤感说说
动漫配图
心情说说
抖音文案
伤感图片
伤感说说:
伤感的句子说说心情
空间说说
心情说说
爱情说说
女生伤感说说
人生感悟
心情不好的说说
说说带图片
关于生活的说说
说说心情短语
qq空间说说带图片
个性说说
励志名言
一句话经典语录
感悟人生的经典句子
短句吧
情感故事
抖音文案
伤感图片:
伤感图片带字
非主流伤感图片
唯美伤感图片
女生伤感图片
唯美意境图片
悲伤的图片
唯美意境伤感图片
只有字的伤感图片
说说图片
伤心的图片
美甲图片
图片大全
情感图片
微信头像男
动态壁纸
动漫配图
伤感图片
首页
>
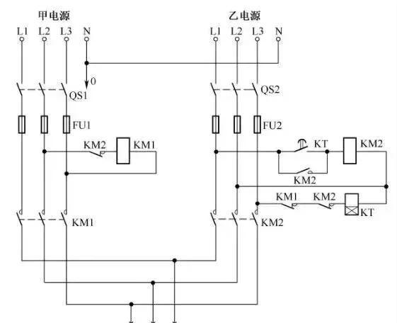
接触器切换双电源图纸
接触器切换双电源图纸,双电源自动转换接线图
供电电源有两路:一路电源来自变压器,通过断路器qf 1 ,接触器km 1
备用电路的接触器通过继电器的常闭触点开始工作
5000元老电工教你双电源自动切换,只要看懂这个电路
两个接触器双电源控制怎么接线?看完这篇文章让你恍然
两个接触器双电源控制怎么接线
更多推荐
双电源自动转换接线图
双电源一主一备接线图
双电源自动切换实物图
双电源自动切换电路图
双电源接线图原理
自制双电源切换接线图
双电源接触器接线图
双电源两个接触器图
双电源切换开关电路图
双电源自动切换接线图
双电源切换电路图
双电源切换配电箱图片
接触器接线图图解
双电源自动切换原理图
双电源切换柜原理图
双电源切换器
双电源配电箱接线图
双电源切换配电箱
双风机双电源开关图纸
电光双电源风机电路图
发电机双电源切换柜
接触器接线图清晰
接触器接线图方法
接触器接线图
双电源控制柜接线图
接触器自锁接线图
接触器接线图口诀
双电源开关接线实物图
交流接触器接线图
双电源接线图