首页 > 八灯循环plc梯形图
八灯循环plc梯形图,西门子plc流水灯梯形图

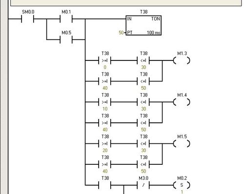
plc循环彩灯 要梯形图 ,每个梯形图有相应的解释 ,用的是cpu226,能

5秒后km2停止km3启动···到km5后停止不用循环的plc梯形图 采纳率

2,梯形图 根据系统控制要求设计plc梯形图如图5所示.

2,实现五层电梯换向和换速控制的梯形图

如何用plc梯形图做一个8盏灯轮流闪烁的流水灯 求:梯形图
- 西门子plc流水灯梯形图
- plc彩灯8个循环程序图
- plc跑马灯8灯循环
- 流水灯plc程序梯形图
- 5个流水灯循环梯形图
- 流水灯plc梯形图
- plc小灯循环梯形图
- plc彩灯循环梯形图
- plc梯形图循环
- plc自动循环梯形图
- plc重复循环梯形图
- plc循环指令梯形图
- plc跑马灯4个灯梯形图
- plc梯形图如何实现循环
- plc简单循环程序梯形图
- 三菱plc循环指令梯形图
- plc红绿灯梯形图
- plc流水灯程序梯形图
- plc交通灯控制梯形图
- 红绿灯plc控制梯形图
- 三菱plc交通灯梯形图
- plc梯形图
- 三菱plc跑马灯梯形图
- plc梯形图怎么看
- 天塔之光plc梯形图
- 正反转plc梯形图
- plc梯形图入门
- 西门子plc跑马灯梯形图
- 三菱plc梯形图
- plc自锁梯形图
